EasyManua.ls Logo

Fender Rumble 150 - Diagramma a Blocchi; Specifiche; Prestazioni E Protezione Termica

Fender Rumble 150
34 pages
Print Icon
To Next Page IconTo Next Page
To Next Page IconTo Next Page
To Previous Page IconTo Previous Page
To Previous Page IconTo Previous Page
Loading...
fender.com
fender.com
21
21
Specifiche
Specifiche
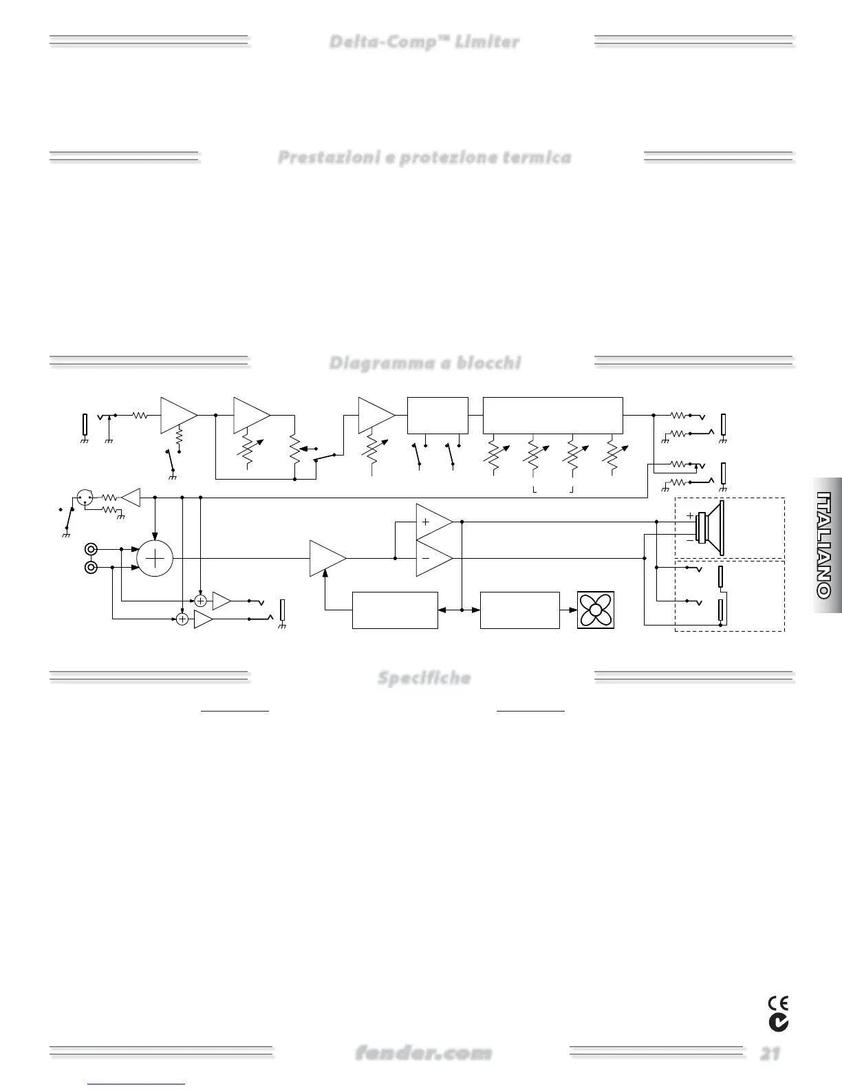
Diagramma a blocchi
Diagramma a blocchi
Gli amplificatori Rumble includono il limiter Fender Delta-
Comp, utile per minimizzare la distorsione dell'amplificatore
ed aumentare il sustain. Impostando il VOLUME ad alti livelli
o suonando in modo aggressivo con bassi dall'elevato livello
d'uscita, si ottiene un suono molto compresso e con un
maggiore sustain. Usando il selettore –6dB o diminuendo il
VOLUME si ottiene un suono meno compresso, una più ampia
gamma dinamica ed una maggiore sensibilità al tocco.
Gli amplificatori per basso Rumble sono equipaggiati
con ventole di raffreddamento a velocità variabile ed un
sistema di protezione termica. La ventola si avvia a bassa
velocità, aumentando in base all'intensità del segnale e
dell'esecuzione. Occorre mantenere uno spazio libero
di almeno 15 cm tra la ventola dell'amplificatore e altri
oggetti circostanti. In caso di blocco della ventola, o di
utilizzo dell'amplificatore in un ambiente estremamente
caldo, l'unità potrebbe surriscaldarsi e arrestarsi, causando
una temporanea disattivazione degli altoparlanti (Mute),
ma con l'indicatore LED che rimane comunque attivo.
Sotto le condizioni operative più estreme, potrebbe
essere possibile da parte della protezione termica l'arresto
dell'alimentazione dell'amplificatore, che disattiverebbe
l'altoparlante collegato (Mute) e anche l'indicatore LED
Power. In caso di arresto (solo Mute degli altoparlanti), lascia
l'interruttore Power su ON per mantenere attiva la ventola e
attendi i minuti necessari all'amplificatore per raffreddarsi.
Una volta ristabilita una temperatura operativa sicura,
l'amplificatore riprenderà automaticamente l'operatività.
Delta-Comp™ Limiter
Delta-Comp™ Limiter
Prestazioni e protezione termica
Prestazioni e protezione termica
MODELLO: Rumble 150 Rumble 350
REQUISITI ENERGETICI: 400W Max / 200W Tipico 950W Max / 450W Tipico
IMPEDENZE D'INGRESSO: 1M (Input) / 10k (Aux In) 1M (Input) / 10k (Aux In)
SENSIBILITÀ D'INGRESSO: 40mVrms (Input) / 300mVrms (Aux In, segnale in entrambi i canali) 40mVrms (Input) / 300mVrms (Aux In, segnale in entrambi i canali)
(Piena potenza @ 100Hz, con Volume a "10" e controlli di tono a "0")
CONTROLLI DI TONO: BASS: ±15dB @ 80Hz BASS: ±15dB @ 80Hz
LOW-MID: ±12dB @ 400Hz LEVEL: ±15dB @ "Frequency" (Frequenza: 150Hz - 1.5Hz)
HIGH-MID: ±12dB @ 1.2kHz TREBLE: ±15dB @ 10kHz
TREBLE: ±15dB @ 10kHz
FILTRO SHAPE: PUNCH: +7dB @ 170Hz, –12dB @ 50Hz PUNCH: +7dB @ 170Hz, –12dB @ 50Hz
SCOOP: +2dB @ 125Hz, –13dB @ 650Hz, +2.5dB @ 8kHz SCOOP: +2dB @ 125Hz, –13dB @ 650Hz, +2.5dB @ 8kHz
IMPEDENZE FX LOOP: SEND: 1k (bilanciato) SEND: 1k (bilanciato)
RETURN:
18k (bilanciato)
RETURN:
18k (bilanciato)
USCITA LINE OUT:
OUTPUT IMPEDANCE:
3.3k (bilanciato)
OUTPUT IMPEDANCE:
3.3k (bilanciato)
MAXIMUM OUTPUT:
+8.75dBU (su 600)
MAXIMUM OUTPUT:
+8.75dBU (su 600)
USCITA POWER AMP:
160
W su
4
 @ <
0.1
% THD,
100
Hz
370
W su
4
 @ <
0.1
% THD,
100
Hz
USCITA HEADPHONES: 280mW su 32/Canale 280mW su 32/Canale
ALTOPARLANTI: 1 x Special Design da 15"- 4, 2 x Special Design da 10" - 8 ciascuno
Tweeter Piezo Tweeter Piezo
Le specifiche possono essere soggette a variazioni senza alcun preavviso. Visita il sito www.fender.com per ulteriori informazioni sul prodotto.
0,'5$1*(
)$1
KHDGRQO\
FRPERRQO\
3$5$//(/
2873876
63($.(5
$03/,),(5
)$1&21752/
9$5,$%/(63(('
/,1(287
*1'/,)7
);5(7851
5XPEOH6KRZQ
G%
3+21(6
+($'
67(5(2+($'3+21(
63($.(56
32:(5$03/,),(5
70
'(/7$&203/,0,7(5
&/,3'(7(&7,21
32:(5$03/,),(5
$8;,1
);6(1'
)5(48(1&< 75(%/(/(9(/%$66
(48$/,=$7,21
$&7,9(
6&223381&+
),/7(56
92,&,1*
92/80(
(1$%/(%/(1'
*$,1
29(5'5,9(
,1387


Related product manuals