EasyManua.ls Logo

Fermax OLYMPO ADS - Ampliaciones

Fermax OLYMPO ADS
34 pages
Print Icon
To Next Page IconTo Next Page
To Next Page IconTo Next Page
To Previous Page IconTo Previous Page
To Previous Page IconTo Previous Page
Loading...
Pag 12
Kit VIDEO OLYMPO ADS
Kit VIDEO OLYMPO ADS
AMPLIACIONES - ENLARGEMENTS - EXTENSIONS - ERWEITERUNGEN - AMPLIAÇÕES
E
EN
F
D
P
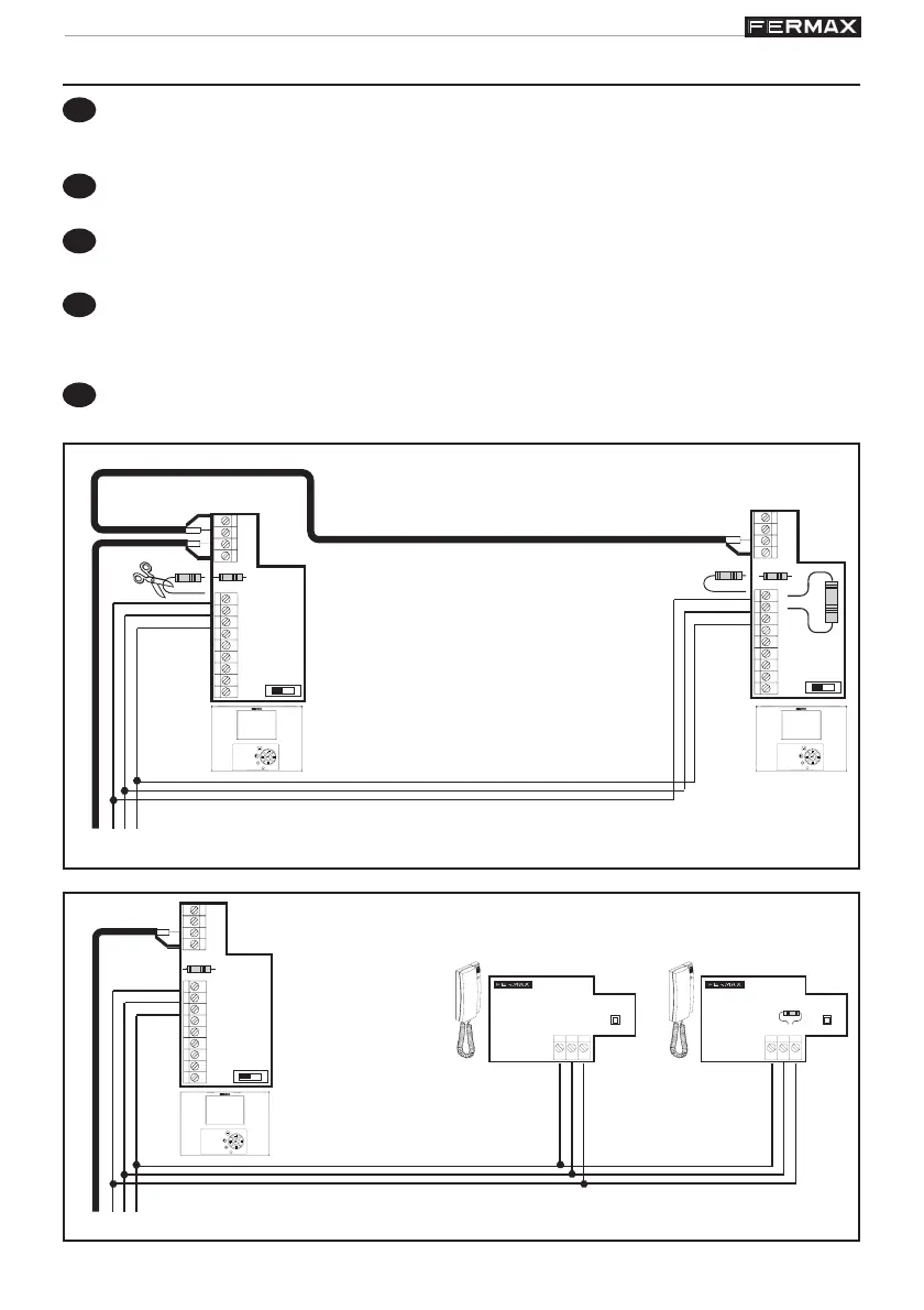
The basic home equipment can be expanded with 2 telephones or 1 monitor without
adding a second power supply.
L’équipement de base peux être étendu avec deux postes ou un moniteur sans
ajouter une seconde source d’alimentation dans le .
Die in jeder Wohnung vorhandene Grundanlage kann im Falle des
EINFAMILIENHAUS-SETs um 2 zusätzliche Telefone oder um einen Monitor erweitert
werden, ohne dass weitere Netzgeräte eingeselzt werden müssen.
O equipamento básico por vivenda pode ser ampliado com 2 telefones ou 1 monitor
adicional sem necessidade de acrescentar transformadores.
El equipamiento básico por vivienda puede ser ampliado con 2 teléfonos o 1
monitor adicional sin necesidad de añadir fuentes de alimentación.
V
-A
T
T
L
-
+
+A
Ct
M
V
M
LE
J1 PRG
COAX
+
L
-
R
R
10 K
V
-A
T
T
L
-
+
+A
Ct
M
V
M
LE
J1 PRG
X X
10 K
COAX
+
L
-
PROG
- +
L
PROG
- +
L
V
-A
T
T
L
-
+
+A
Ct
M
V
M
LE
J1 PRG
X

Table of Contents

Related product manuals