EasyManua.ls Logo

Ferroli divaproject C24 - Page 19

Ferroli divaproject C24
Print Icon
To Next Page IconTo Next Page
To Next Page IconTo Next Page
To Previous Page IconTo Previous Page
To Previous Page IconTo Previous Page
Loading...
DIVAPROJECT C24
19
ES
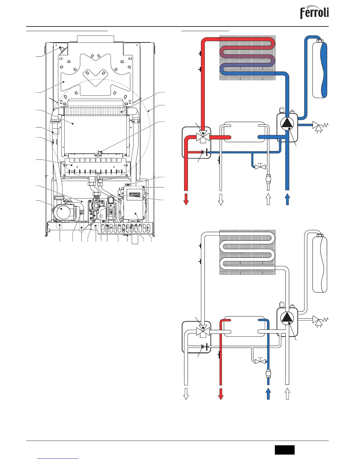
5.2 Vista general y componentes principales
fig. 12 - Vista general
5.3 Esquemas hidráulicos
fig. 13 - Circuito de calefacción
fig. 14 - Circuito de agua sanitaria
44 32
114
36
14
27
56
78
95
42 38
37
10 8 7 9 11
194
39
22
126
34
81
19
49
74
56
27
14
32
38
1110 8
9
95
241 42
114 36
194
49
34
74
56
27
14
32
38
1110 8
9
95
241 42
114 36
194
49
34
74
FRG*5HY

Related product manuals