EasyManua.ls Logo

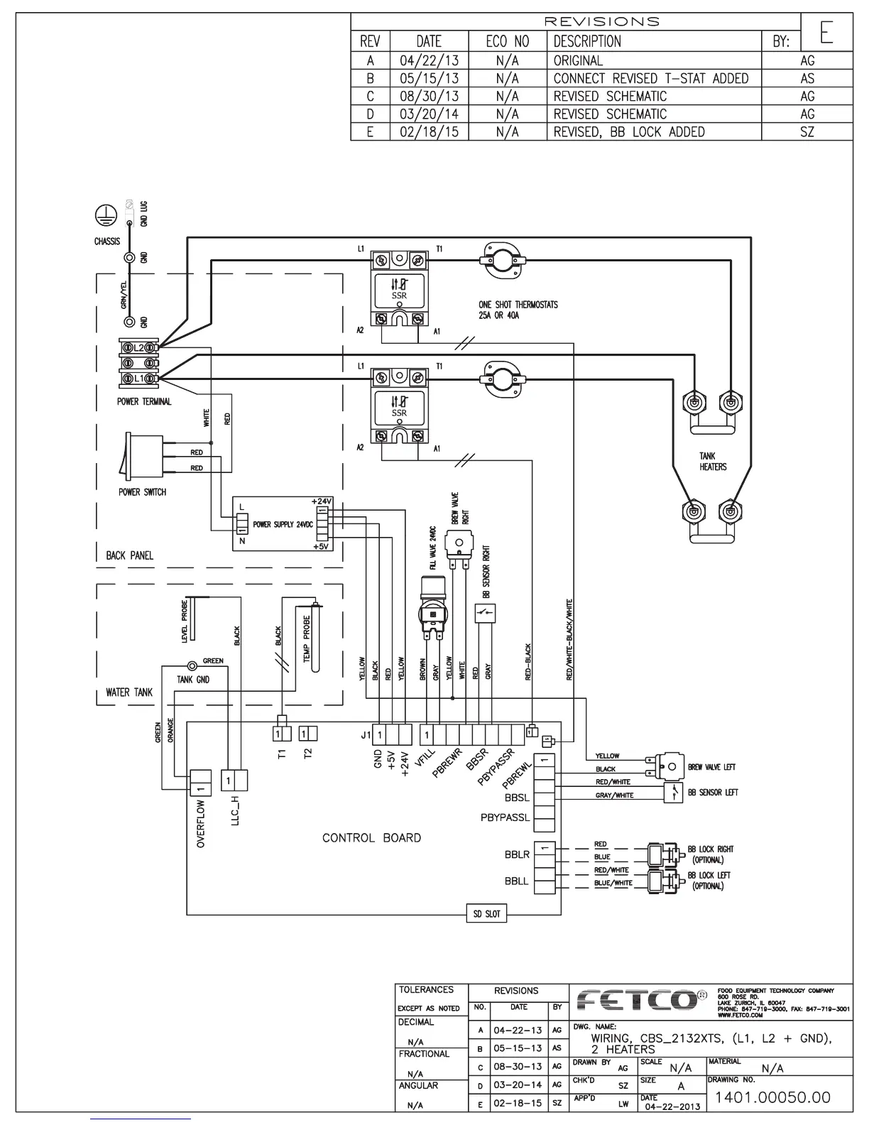
Fetco CBS-2131XTS - CBS_2132 XTS Wiring Diagram Details; North America Wiring Configuration

Fetco CBS-2131XTS
55 pages
Print Icon
To Previous Page IconTo Previous Page
To Previous Page IconTo Previous Page
Loading...

Related product manuals