EasyManua.ls Logo

Fetco GR-2.2 - GR-1 Wiring Diagrams

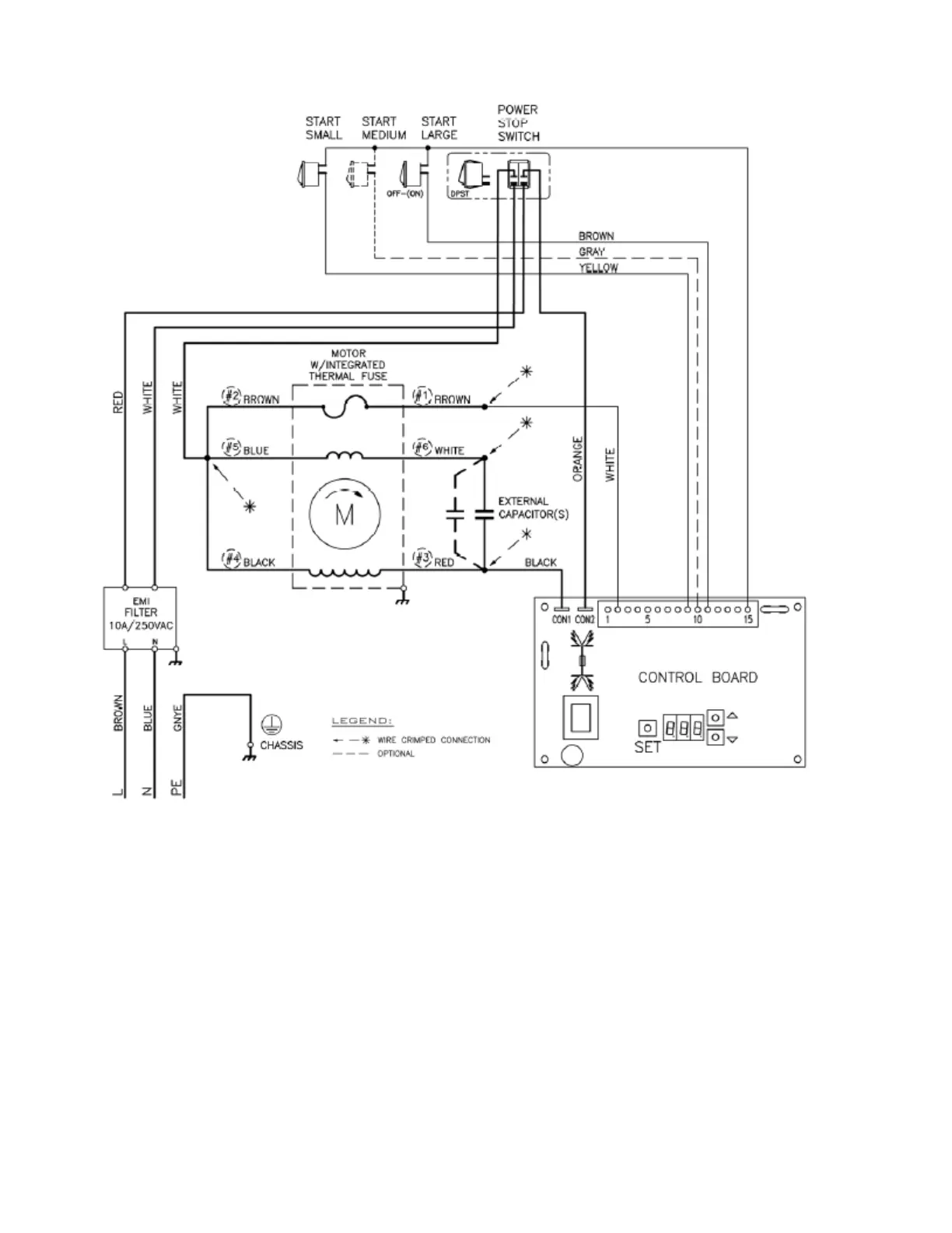
Fetco GR-2.2
16 pages
Print Icon
To Next Page IconTo Next Page
To Next Page IconTo Next Page
To Previous Page IconTo Previous Page
To Previous Page IconTo Previous Page
Loading...
14
GR-1
Drawing 1401.00132.00 Effective January 2017

Related product manuals