EasyManua.ls Logo

Fimar MPF/1,5 - Page 88

Fimar MPF/1,5
Print Icon
To Next Page IconTo Next Page
To Next Page IconTo Next Page
To Previous Page IconTo Previous Page
To Previous Page IconTo Previous Page
Loading...
IDM-34606300400.pdf
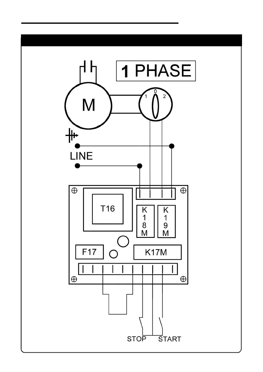
SCHEMA ELETTRICO
ELECTRIC DIAGRAM
MPF/1,5 - MPF/2,5

Table of Contents

Related product manuals