EasyManua.ls Logo

Fini RD 185-810 - Page 42

Default Icon
54 pages
Print Icon
To Next Page IconTo Next Page
To Next Page IconTo Next Page
To Previous Page IconTo Previous Page
To Previous Page IconTo Previous Page
Loading...
40069 Zola Predosa (BO) - ITALY
info@finicompressors.it
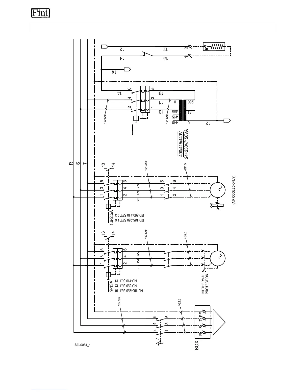
7.3.1 RD 185-410 - DMC14
S
E
Z
0
1
3
C
O
M
P
R
E
S
S
O
R
U
W
M
V
[
2
-
2
]
K
[
2
-
6
]
2
1
6
4
3
5
V
[
2
-
7
]
[
2
-
3
]
Q
1
Q
2
m
i
n
4
G
2
.
5
S
U
P
P
L
Y
U
n
l
e
s
s
s
p
e
c
i
f
i
e
d
1
x
1
r
d
A
T
F
Q
3
4
A
R
[
2
-
6
]
K
1
2
1
1
A
5
0
-
6
0
H
z
B
F
A
N
3
T
V
M
U
V
W

Related product manuals