EasyManua.ls Logo

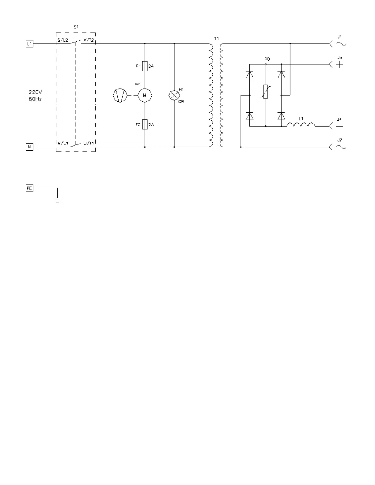
Firepower FP-235 - Figure 17: FP-235 AC;DC Wiring Diagram

Default Icon
34 pages
Print Icon
To Next Page IconTo Next Page
To Next Page IconTo Next Page
To Previous Page IconTo Previous Page
To Previous Page IconTo Previous Page
Loading...
28
Figure 17: FP-235 AC/DC Wiring Diagram

Table of Contents

Related product manuals