EasyManua.ls Logo

Firman P03504 - Page 109

Firman P03504
114 pages
Print Icon
To Next Page IconTo Next Page
To Next Page IconTo Next Page
To Previous Page IconTo Previous Page
To Previous Page IconTo Previous Page
Loading...
32
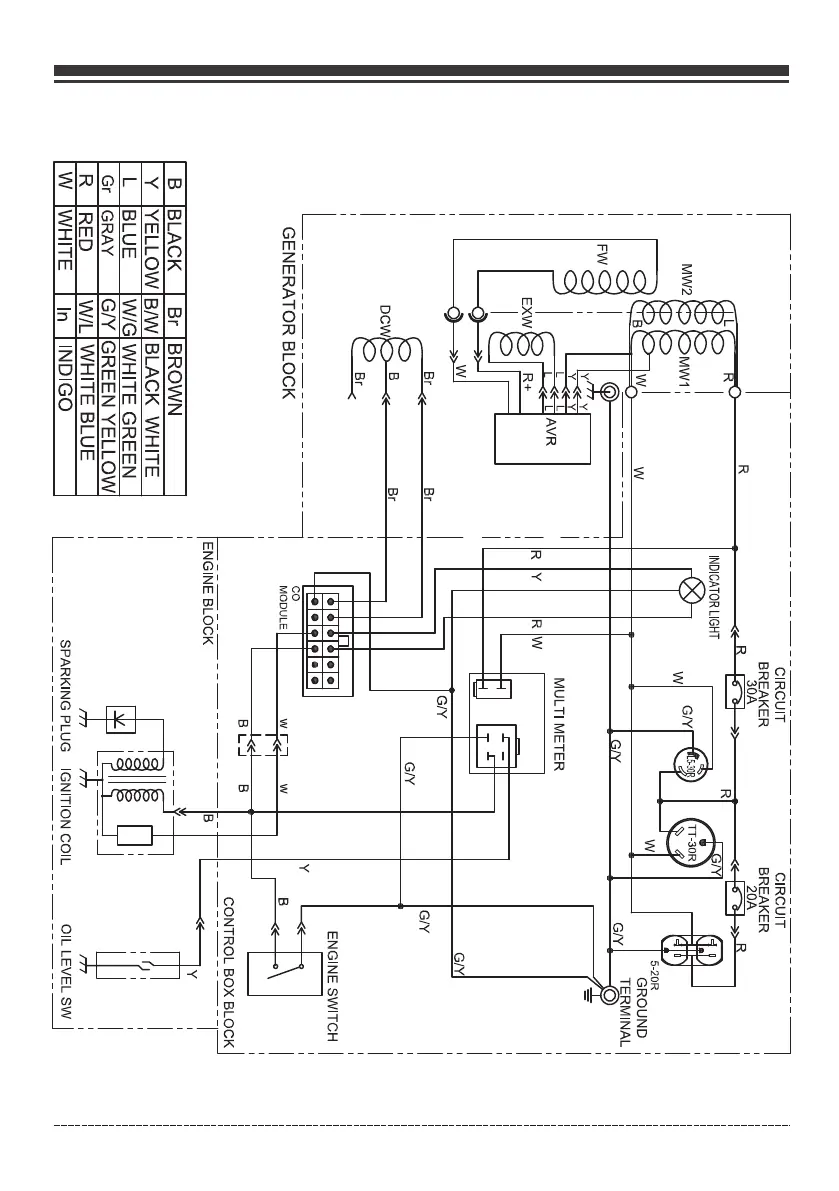
Schéma de pièces – Liste de pièces – Schéma de câblage
Fraais Service client : 1-844-FIRMAN1

Related product manuals