EasyManua.ls Logo

Firman P03504 - Wiring Diagram; Service and Warranty; Ordering Replacement Parts; FIRMAN 3-Year Limited Warranty

Firman P03504
114 pages
Print Icon
To Next Page IconTo Next Page
To Next Page IconTo Next Page
To Previous Page IconTo Previous Page
To Previous Page IconTo Previous Page
Loading...
English Customer Service: 1-844-FIRMAN1
32
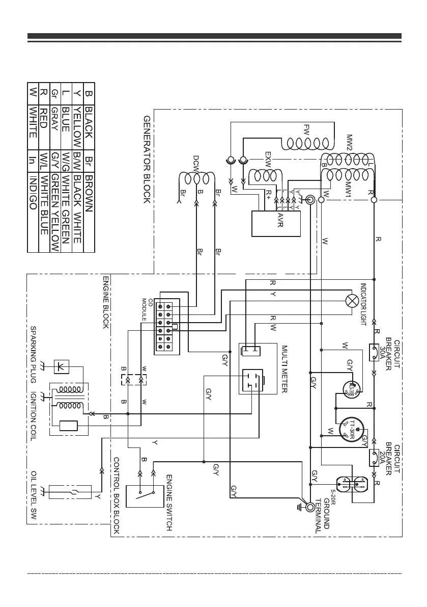
Parts Diagrams - Parts Lists - Wiring Diagram
Wiring Diagram

Related product manuals