EasyManua.ls Logo

Firman P03504 - Page 71

Firman P03504
114 pages
Print Icon
To Next Page IconTo Next Page
To Next Page IconTo Next Page
To Previous Page IconTo Previous Page
To Previous Page IconTo Previous Page
Loading...
English Customer Service: 1-844-FIRMAN1
32
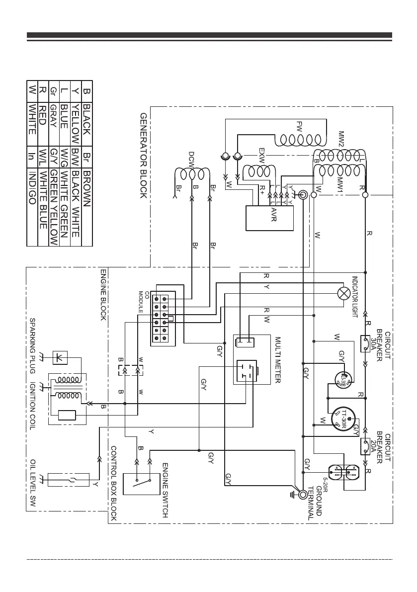
Diagramas de partes - Listas de partes - Diagrama de Cableado

Related product manuals