EasyManua.ls Logo

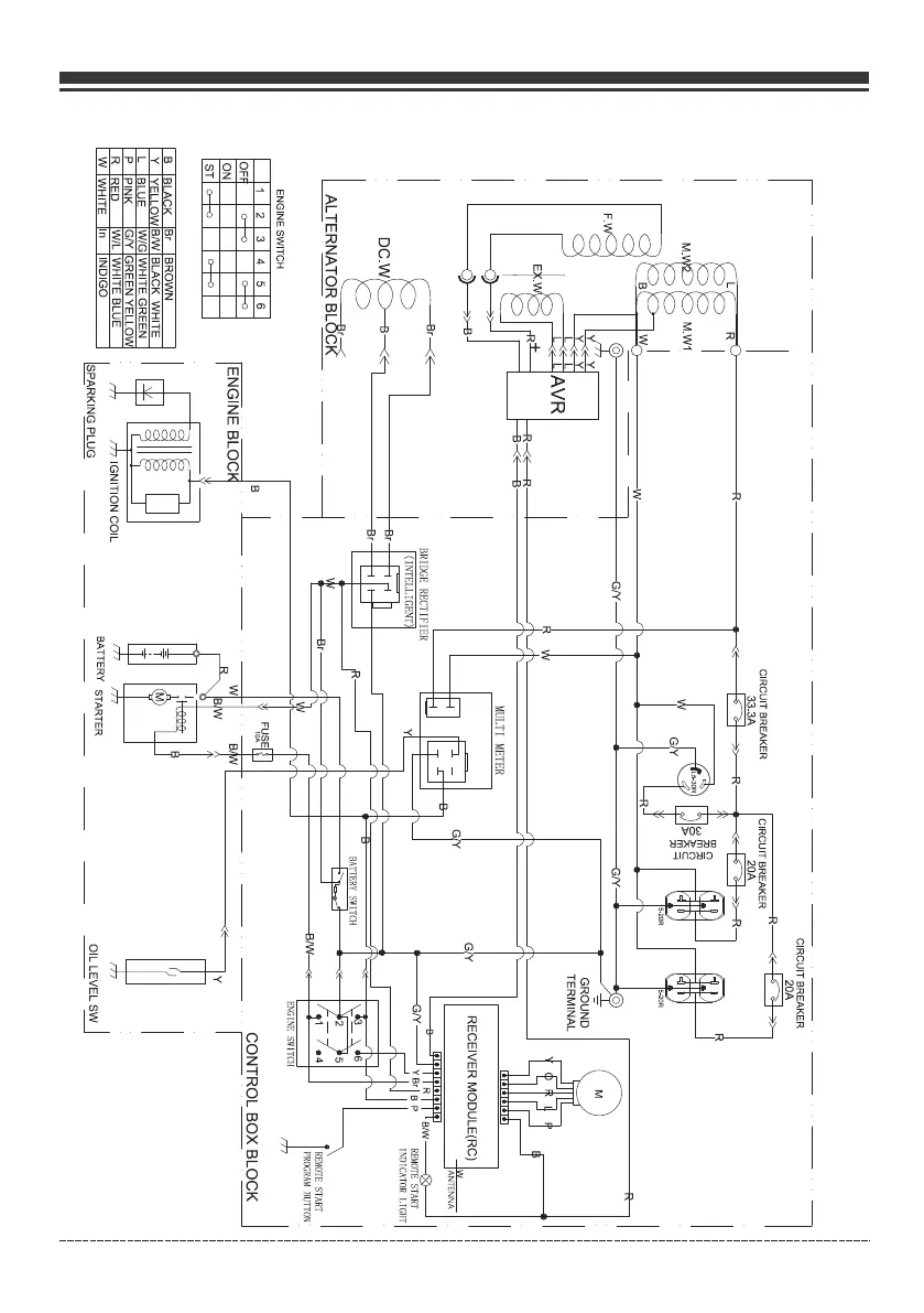
Firman P04001 - Electrical Wiring Diagram

Firman P04001
40 pages
Print Icon
To Next Page IconTo Next Page
To Next Page IconTo Next Page
To Previous Page IconTo Previous Page
To Previous Page IconTo Previous Page
Loading...
English Customer Service: 1-844-FIRMAN1
34
Parts Diagrams - Parts Lists - Wiring Diagram
Wiring Diagram

Related product manuals