EasyManua.ls Logo

Firman P09301 - Page 31

Firman P09301
108 pages
Print Icon
To Next Page IconTo Next Page
To Next Page IconTo Next Page
To Previous Page IconTo Previous Page
To Previous Page IconTo Previous Page
Loading...
English Customer Service: 1-844-FIRMAN1
30
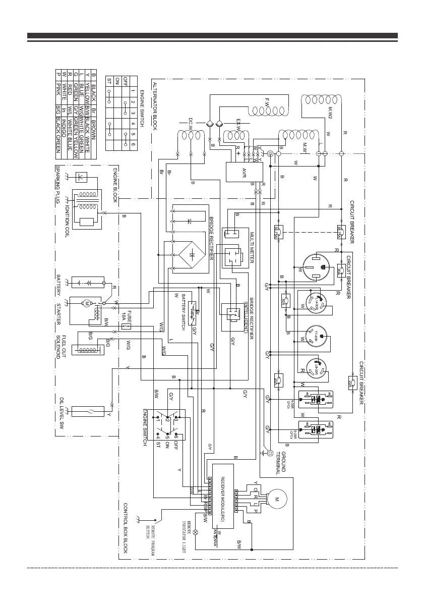
Parts Diagrams - Parts Lists - Wiring Diagram
Wiring Diagram

Related product manuals