EasyManua.ls Logo

Firman P09301 - Page 67

Firman P09301
108 pages
Print Icon
To Next Page IconTo Next Page
To Next Page IconTo Next Page
To Previous Page IconTo Previous Page
To Previous Page IconTo Previous Page
Loading...
30
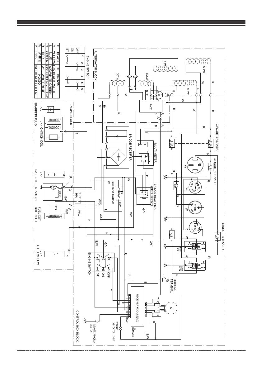
Diagramas de partes - Listas de partes - Diagrama de Cableado
Espol Servicio de atención al cliente: 1-844-FIRMAN1

Related product manuals