EasyManua.ls Logo

Firman P12001 - Page 36

Firman P12001
41 pages
Print Icon
To Next Page IconTo Next Page
To Next Page IconTo Next Page
To Previous Page IconTo Previous Page
To Previous Page IconTo Previous Page
Loading...
English Customer Service: 1-844-FIRMAN1
35
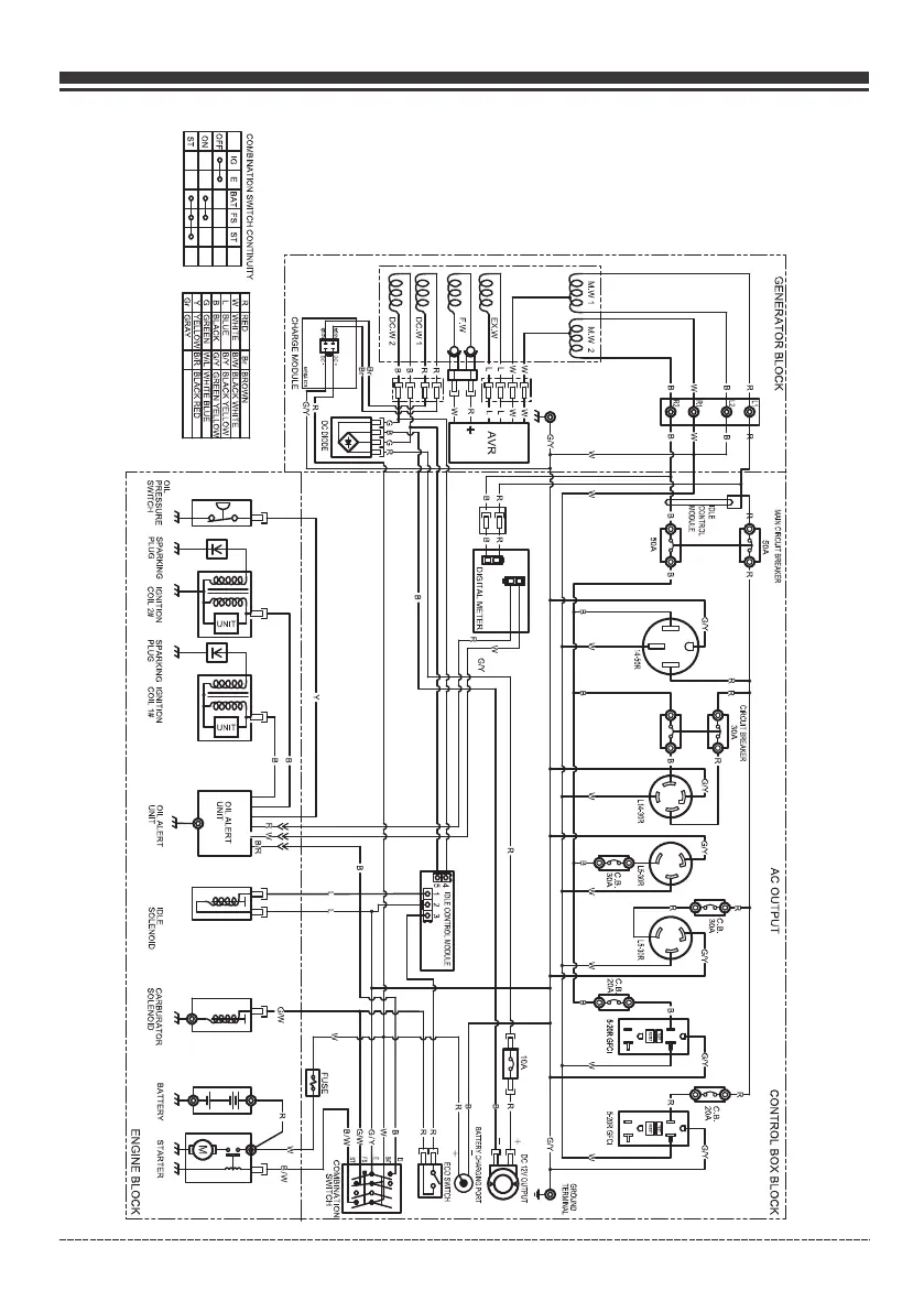
Parts Diagrams - Parts Lists - Wiring Diagram

Related product manuals