EasyManua.ls Logo

Fisher 3582 - Page 46

Fisher 3582
56 pages
Print Icon
To Next Page IconTo Next Page
To Next Page IconTo Next Page
To Previous Page IconTo Previous Page
To Previous Page IconTo Previous Page
Loading...
Instruction Manual
D200138X012
3582, 582i, and 3583
February 2015
46
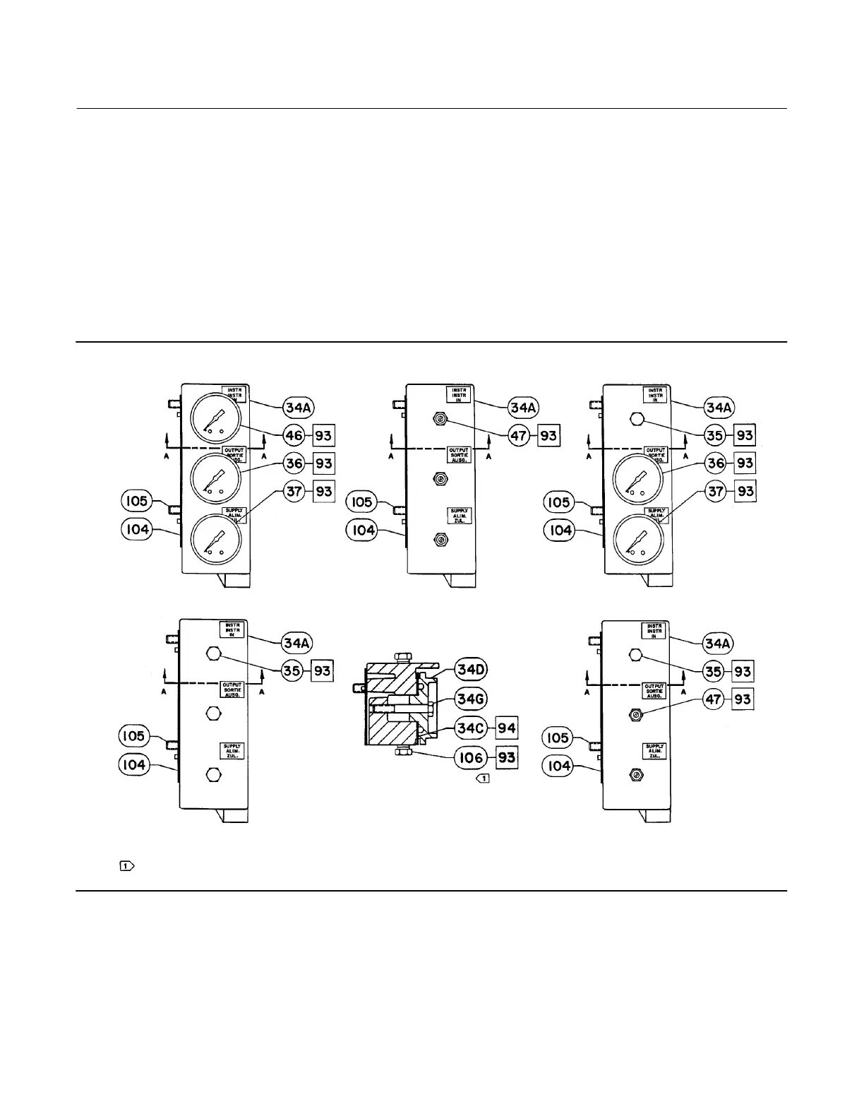
For Units Without Bypass (figure 25)
Key Description
34 Non‐Bypass Block Assembly
 Std. const.
  3582A, 3582C, 3582G
  3583, 3582C
 Hi‐temp. const.
  3582A, 3582C
  3583C
  3582NS
Key Description Part Number
34A Bypass Block, aluminum
34C* Gasket
 Std. const., chloroprene 1V606204132
 Hi‐temp. const. 1V6062X0012
 3582NS, EPDM 17B4780X012
34D Manifold
 3582, std. and hi‐temp. const.
 3583, std. and hi‐temp. const.
34G Cap Screw, pl steel
106 Pipe Plug, pl steel
 For 3583 & 3583C (2 req'd)
Figure 25. Fisher 3582 and 3583 Block Assemblies without Bypass
21B8565‐B
21B8564‐B 21B8567‐B
21B8566‐B
21B8563‐B
3582C AND 3582NS
NOTE:
PIPE PLUG (KEY 106) ON 3583 AND 3583C ONLY.
3582A
3583C
3583
3582G
SECTIONAL
WITHOUT BYPASS
TYPICAL SECTION AA
*Recommended spare parts

Related product manuals