EasyManua.ls Logo

FläktGroup eQ PRIME 032 - Page 46

Default Icon
64 pages
Print Icon
To Next Page IconTo Next Page
To Next Page IconTo Next Page
To Previous Page IconTo Previous Page
To Previous Page IconTo Previous Page
Loading...
46FläktGroup DC_9355GB 20180119_R0 We reserve the right to make changes without prior notice
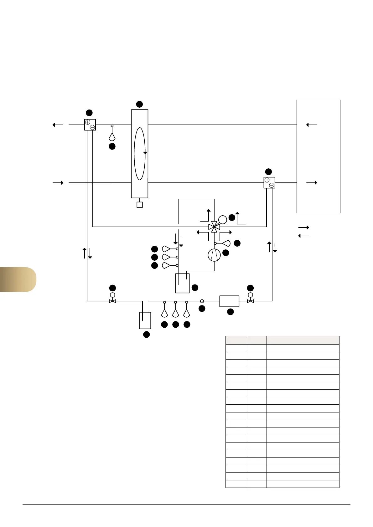
ReCooler HP
Cooling/heating circuit
POS PCS ITEM
1:1-3 1 Exhaust air coil
2:1-3 1 Inlet air coil
3:1-3 1 4 way valve
4:1-3 1 Compressor
5:1-3 1 Liquid separator
6:1-3 1 Reciver
7:1-3 1 Filterdrier
8:1-3 1 Sightglass
9:1-3 1 EEV 2
10:1-3 1 EEV 1
11:1-3 1 High pressure sensor
12:1-3 1 Low pressure sensor
13:1-3 1 Suction temp sensor
14:1-3 1 Liquid temp sensor
15:1-3 1 Discharge temp sensor
16:1-3 1 Low pressure service connector
17:1-3 1 High pressure service connector
18:1-3 1 Extract air sensor
19 1 Rotor
2
3
4
5
6
7
1
9
10
11
12
13
14
16
15
17
18
19
8
Cooling mode
Room
VVX
Heating mode
1:1-3
18:1-3
9:1-3
12:1-3
15:1-3
4:1-3
10:1-3
5:1-3
3:1-3
2:1-3
13:1-3
16:1-3
8:1-3
7:1-3
6:1-3
17:1-3
11:1-3
14:1-3
Size 008-032 1 circuit
Size 041-050 2 circuits
Room
10

Related product manuals