EasyManua.ls Logo

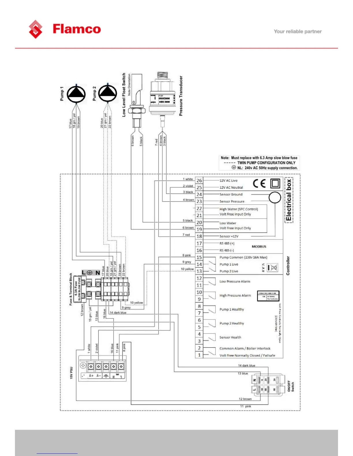
flamco Flexfiller 225D - Wiring diagram

flamco Flexfiller 225D
44 pages
Print Icon
To Next Page IconTo Next Page
To Next Page IconTo Next Page
To Previous Page IconTo Previous Page
To Previous Page IconTo Previous Page
Loading...
www.flamcogroup.com
© 2014 Flamco group. All rights reserved.
We reserve the right to change designs and technical specifications of our products.
Rev 8.1 Aug-15 Page 29 / 44
Wiring diagram

Related product manuals