EasyManua.ls Logo

flamco Mini 130D - Installation; Pipe Connections

flamco Mini 130D
44 pages
Print Icon
To Next Page IconTo Next Page
To Next Page IconTo Next Page
To Previous Page IconTo Previous Page
To Previous Page IconTo Previous Page
Loading...
www.flamcogroup.com
© 2014 Flamco group. All rights reserved.
We reserve the right to change designs and technical specifications of our products.
Rev 8.1 Aug-15 Page 7 / 44
Installation
This pressurisation unit is not designed to be installed in an outdoor environment. The unit must
be installed in a frost free environment, away from precipitation and water sprays/jets. If there is
a risk of flooding, the unit must be installed on a raised plinth.
Please refer to the appropriate datasheet for the maximum working pressure and temperature of
the pressurisation unit. The conditions at the point of connection to the system must not exceed
these values.
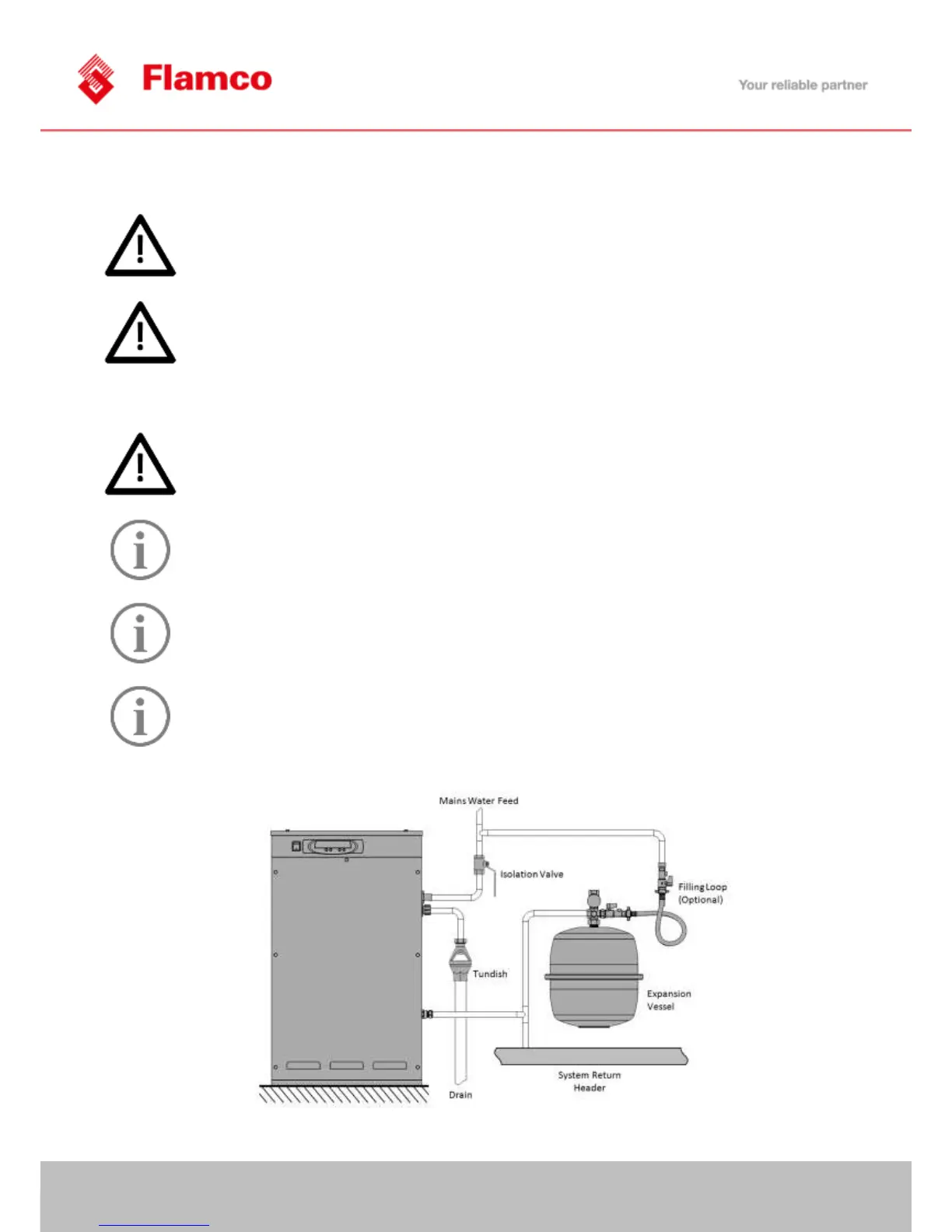
Pipe Connections
To avoid damaging the float valve, the mains water supply pipe must be flushed before
connection to the pressurisation unit.
All pipe connections must be made with appropriate jointing compound/PTFE tape.
If PTFE tape is used, care must be taken to ensure that the tape does not obstruct the orifice of
the fitting.
Non-return valves, pressure reducing valves and RPZ valves must not be installed between the
pressurisation unit and the heating/cooling system. These devices will prevent the pressure
sensor from reading the system pressure.
The pressurisation unit and expansion vessel should be connected to the system at the same
point, to provide a neutral pressure reading. This point of connection should be in the system
return, on the suction side of the circulation pump.
Typical Installation Diagram

Related product manuals