EasyManua.ls Logo

Fluke 410B - Page 35

Fluke 410B
54 pages
Print Icon
To Next Page IconTo Next Page
To Next Page IconTo Next Page
To Previous Page IconTo Previous Page
To Previous Page IconTo Previous Page
Loading...
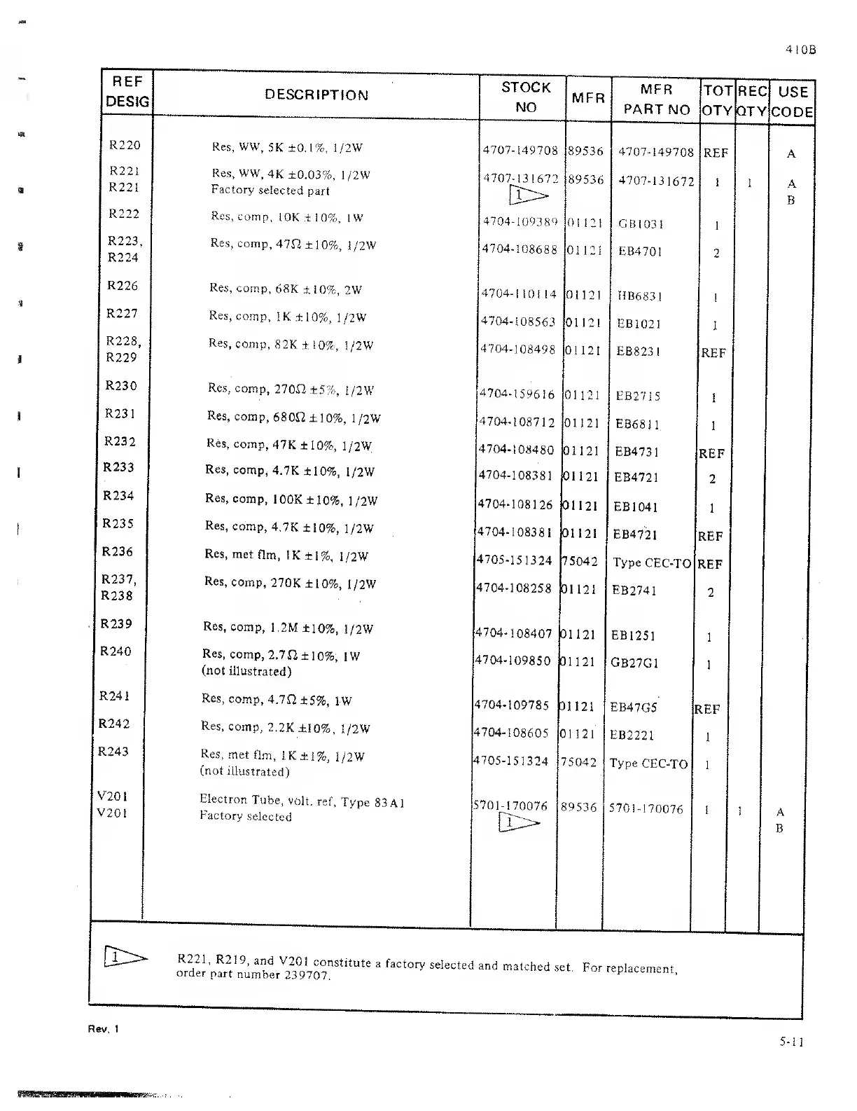
R223,
R224
DESCRIPTION
Res, WW,
5K
±0.1%,
1/2W
Res,
WW,
4K
±0.03%,
1/2W
Factory
selected
part
Res,
comp,
I OK
±10%, 1
W
Res,
comp,
47£2
±
]
0%,
1
/2W
Res,
comp,
68K
±10%,
2W
Res,
comp,
IK
±10%,
1 /2W
Res,
comp,
82K
±10%, 1/2W
Res, comp,
27012
±5%,
1/2W
Res,
comp,
68012
±
1
0%, 1
/2W
Res,
comp,
47K
±10%, 1/2W
Res,
comp,
4.7K
±10%, 1/2W
Res,
comp,
!00K±10%,
1/2W
Res,
comp,
4,7K±10%,
1/2W
Res,
met
flm,
IK
±1%, 1/2W
Res,
comp,
270K±10%,
1/2W
Res,
comp,
1.2M
±10%, 1/2W
Res,
comp,
2.7
12
±10%,
1W
(not
illustrated)
Res,
comp,
4.712
±5%,
1
W
Res,
comp,
2.2K
±10%, 1/2W
Res,
met
flm,
IK
±1%,
1/2W
(not
illustrated)
Electron
Tube,
volt,
ref,
Type
83
A
1
Factory
selected
STOCK
NO
f L
1 O /
MFR
MFR
TOT
REC
:
use
PART
NO
QTY
QT\
r
CODE
89536
4707-149708
REF
A
89536
4707-131672
1
1
A
4704-109389
01121
GB1031
1
4704-108688
01121
EB4701
2
4704-1
10114
0112!
HB6831
1
4704-108563
01121
EB1021
1
4704-108498
0112!
EB8231
REF
4704-159616
01121
EB271S
1
4704-108712
01121
EB6811
1
4704-108480
01121
EB4731
REF
4704-108381
01121
EB4721
2
4704-108126
01121
EB1041
1
4704-108381
01
121
EB4721
REF
4705-151324
75042
Type
CEC-TO
REF
4704-108258
01 121
EB2741
2
4704-108407
01 121
EB
125
1
1
4704-109850
01121
GB27G1
1
4704-109785
01121
EB47G5
REF
4704-108605
01121
EB2221
1
4705-151324
75042
Type
CEC-TO
1
5701-170076
89536
5701-170076
1
^
orde!
'p!«
norbt
V
23
0
970°7
nSt,tUte
*
,ected
d m* ,
hed
»'
-placement,
Rev, 1
5-11