EasyManua.ls Logo

Fluke CombiScope PM3394B - B.2.7 SAVE;RECALL Menu

Fluke CombiScope PM3394B
297 pages
Print Icon
To Next Page IconTo Next Page
To Next Page IconTo Next Page
To Previous Page IconTo Previous Page
To Previous Page IconTo Previous Page
Loading...
B - 10 CROSS REFERENCES
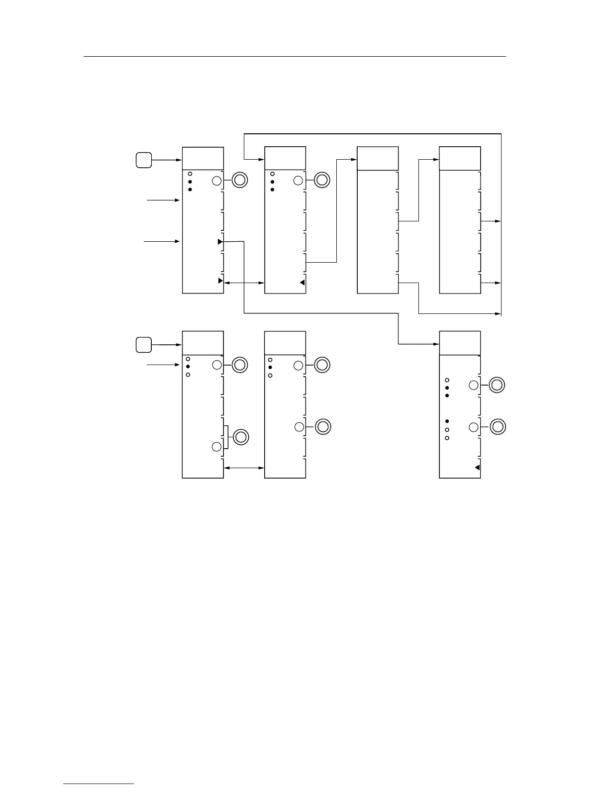
B.2.7 SAVE/RECALL menu
B.2.8 SETUPS menu
Programmable with the
*
SAV/
*
RCL and SYST:SET commands.
TRAC:COPY
TRAC[:DATA]?
RECALL
SAVE
m1
m2
m3
save
clear
CLEAR&
PROTECT
TRACK
CLEAR&
PROTECT
MEMORY
m1
m2
m3
TRACK
PROTECT
on off
clear
clear
all
RETURN
CLEAR
MEMORY
CONFIRM
yes
ARE YOU
SURE ?
no
CLEAR
MEMORY
CONFIRM
yes
OVERRULE
PROTECT?
no
SAVE ACQ
TO
MEMORY
COPY
RECALL
REGISTER
MEMORY
m1.1
m1.2
DISPLAY
on off
CLEAR
DISPLAY
Y-pos
x.xxD
trace
register
RECALL
REGISTER
MEMORY
ch4
m1.1
m1.2
acq
m1
m2
DISPLAY
on off
CLEAR
DISPLAY
Y-pos
x.xxD
trace
register
TRACK TRACK
ST7087
COPY
MEMORY
m1
m2
m3
RETURN
TRAC
K
X-pos
xx.xxD
FROM
m3
m4
m5
TO
COPY
1)
1) OPTIONAL
T
T
T
T
T
TRAC[:DATA]

Table of Contents

Related product manuals