EasyManua.ls Logo

FLYGT C3312 - Page 40

FLYGT C3312
172 pages
Print Icon
To Next Page IconTo Next Page
To Next Page IconTo Next Page
To Previous Page IconTo Previous Page
To Previous Page IconTo Previous Page
Loading...
For instructions on draining the cooling jacket, see Empty the coolant (external cooling) (page 86).
Supply water flow
For information about dimensioning the water supply for external cooling, please contact your ITT
representative.
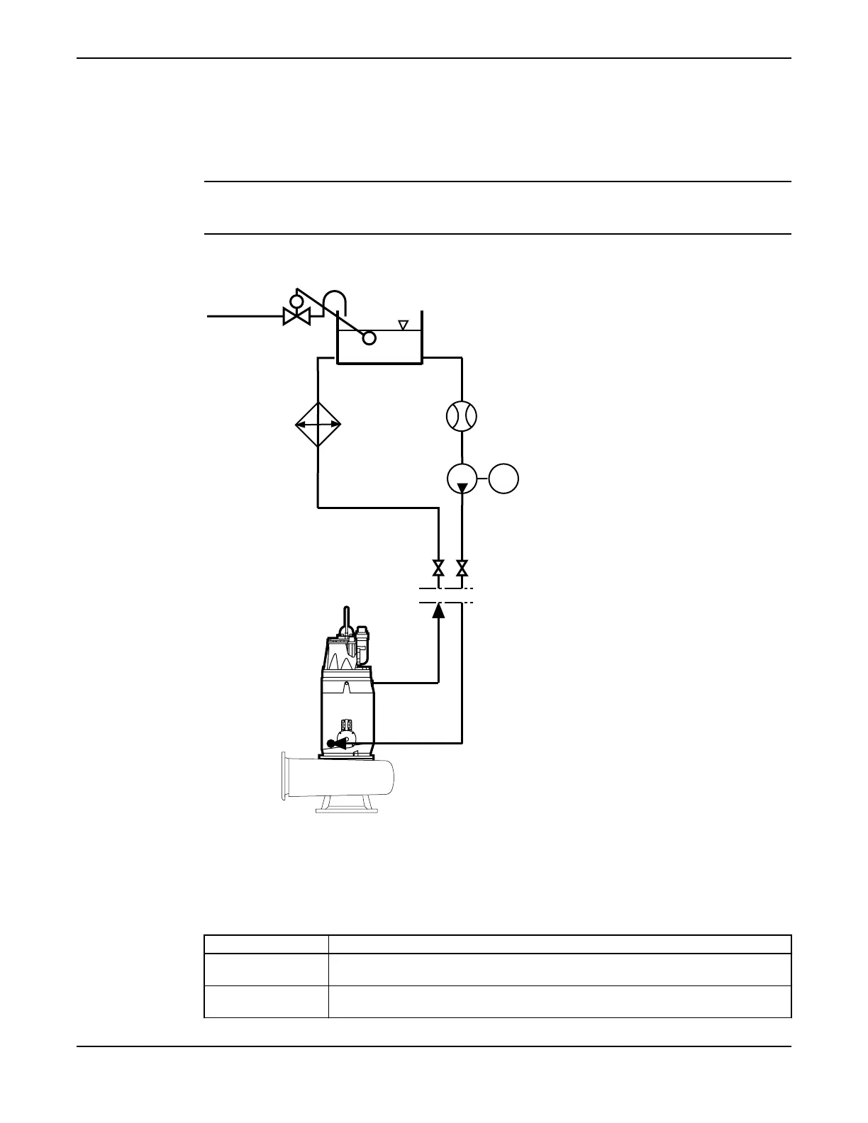
External cooling, closed loop
NOTICE: It is extremely important that the cooling water flow is maintained at or above the desired
minimum level while the pump is running.
For a closed loop system, the cooling water supply should be arranged as shown in the figure below.
M
M
F000156B
1
2
3
4
5
6
7
1. Cooling water supply
2. Expansion tank
3. Flow meter
4. Circulation pump
5. Coolant in
6. Coolant out
7. Heat exchanger
Item Notes
Cooling water supply Incoming supply should be equipped with a vacuum valve. It should also be
separated from the cooling circuit with a non-return (check) valve.
Expansion tank Equipped with a level regulator. The tank is used to fill up the system at start-up,
and then acts as an expansion tank.
Product Description
36 C3300/6x5, C/R3231, C3240, C3306, C3312, C3351, C3356, C3400, C3501, C3531, C3602, C3800 Installation,
Operation and Maintenance Manual

Table of Contents

Related product manuals