EasyManua.ls Logo

FonteCal MINIPLUS Series - Page 14

Default Icon
20 pages
Print Icon
To Next Page IconTo Next Page
To Next Page IconTo Next Page
To Previous Page IconTo Previous Page
To Previous Page IconTo Previous Page
Loading...
14
TECHNICAL MANUAL FOR INSTALLATION, USE AND MAINTENANCE
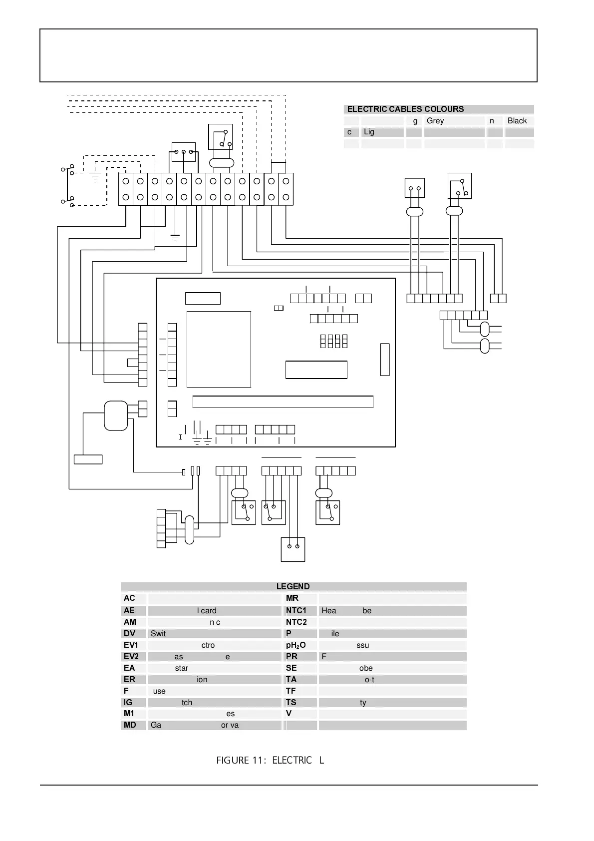
FIGURE 11
:
ELECTRICAL DRAWING
6
C
r
P
N
L
gv
N
gvgv
cmcm
mod Emod EF/ER
TASE
cmgv
m
c
c
vi
n
n
c
m
NTC1
NTC2
R
S
TR
VPR
TSVG
AM
AE
MP
J17
J16
J18
J19
J7
F
REMOTE
PTLN LLFTR
MOD FLUX PH20 TA
SR SS SE
gbnmc
NcNo
CN
mc
3
TF
PR
LN
V
AC
1
TS
m
b
cmm c
EV1 - EV2
EA-ER
11 12
230V
50Hz
0V
10090807060504030201
TA
SE
4
5
m gv c gv vi c gg gg b b
MD
mc
mc
c
c
m
m
M1
PH20
C
NO
NO
2
(/(&75,&&$%/(6&2/2856
b White gg Grey n Black
c Light-blu gv Yellow-green r Red
g Yellow m Brown vi Violet
/(*(1'
$&
Starter
05
Terminal strip
$(
Flame control card
17&
Heating probe
$0
Flame modulation card
17&
Sanitary probe
'9
Switchover valve
3
Boiler pump
(9
Gas safety electro valve
S+
2
Water pressure switch
(9
Main gas electro valve
35
Flue pressure switch
($
Flame start electrode
6(
Outdoor probe (optional)
(5
Flame detection electrode
7$
Room chrono-thermostat (optional)
)
fuse
7)
Flue thermostat
,*
Main switch (not supplied)
76
Water safety thermostat
0
Sanitary priority witches
9
fan
0'
Gas modulation lector valve

Related product manuals