EasyManua.ls Logo

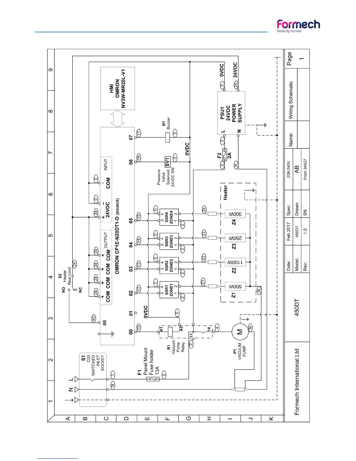
Formech 450DT - Wiring Diagram; Formech 450 DT Wiring Schematic

Formech 450DT
41 pages
Print Icon
To Next Page IconTo Next Page
To Next Page IconTo Next Page
To Previous Page IconTo Previous Page
To Previous Page IconTo Previous Page
Loading...
Manual - Formech 450DT V1.0 - 0317
36
Wiring Diagram Formech 450DT