EasyManua.ls Logo

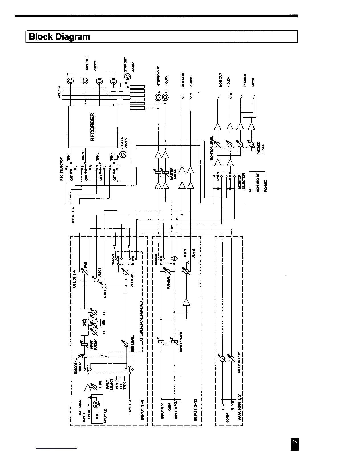
Fostex 380S - System Block Diagram; Signal Flow Overview

Fostex 380S
48 pages
Print Icon
To Next Page IconTo Next Page
To Next Page IconTo Next Page
To Previous Page IconTo Previous Page
To Previous Page IconTo Previous Page
Loading...

Table of Contents

Related product manuals