EasyManua.ls Logo

Fostex G16S - Page 103

Fostex G16S
107 pages
Print Icon
To Next Page IconTo Next Page
To Next Page IconTo Next Page
To Previous Page IconTo Previous Page
To Previous Page IconTo Previous Page
Loading...
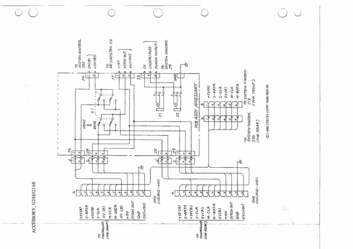
ACCESSORY,
G24S/G16S
©7-1990
FOSTEX
CORP.
8298
4900
00

Other manuals for Fostex G16S

Related product manuals