EasyManua.ls Logo

Fostex G16S - Page 37

Fostex G16S
107 pages
Print Icon
To Next Page IconTo Next Page
To Next Page IconTo Next Page
To Previous Page IconTo Previous Page
To Previous Page IconTo Previous Page
Loading...
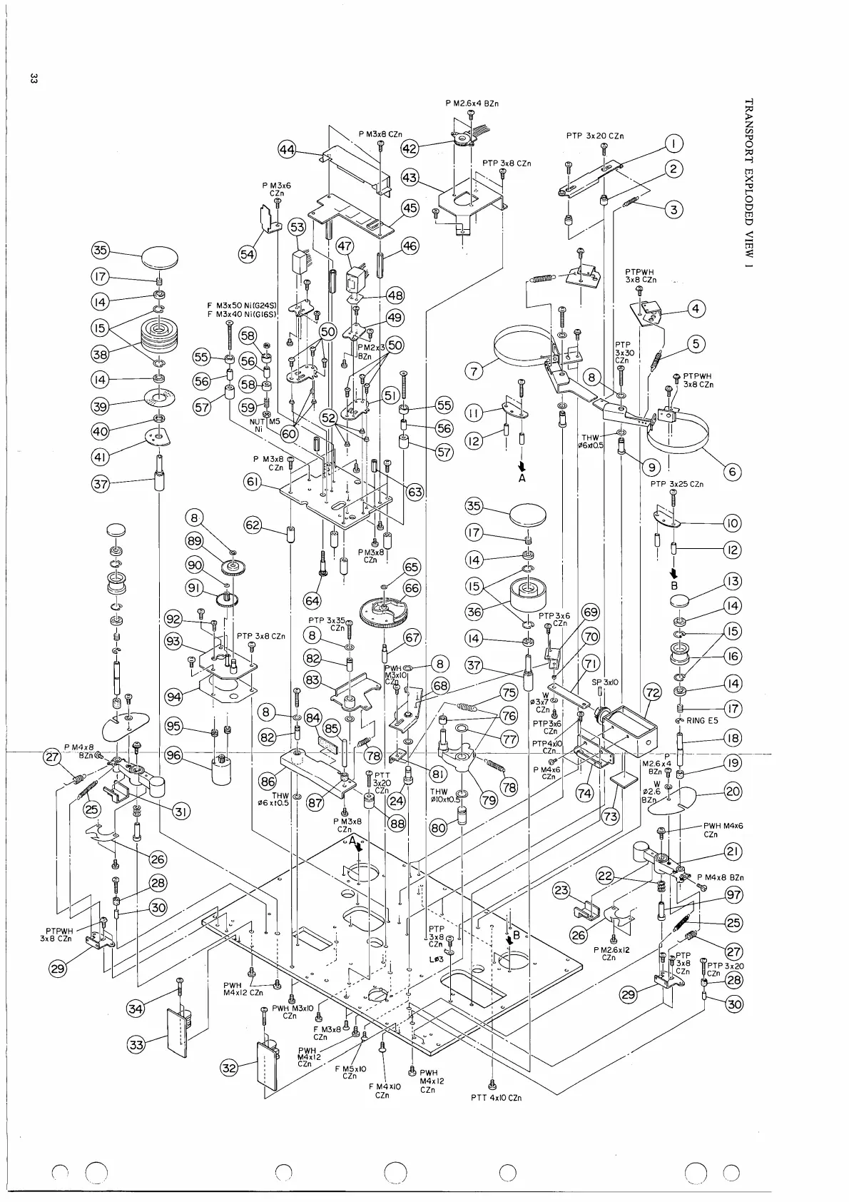
P
M2.6x4
BZn
TRANSPORT
EXPLODED
VIEW
1

Other manuals for Fostex G16S

Related product manuals