EasyManua.ls Logo

Fostex G16S - Page 90

Fostex G16S
107 pages
Print Icon
To Next Page IconTo Next Page
To Next Page IconTo Next Page
To Previous Page IconTo Previous Page
To Previous Page IconTo Previous Page
Loading...
©3-1991
FOSTEX
CORP.
8298
5021
00
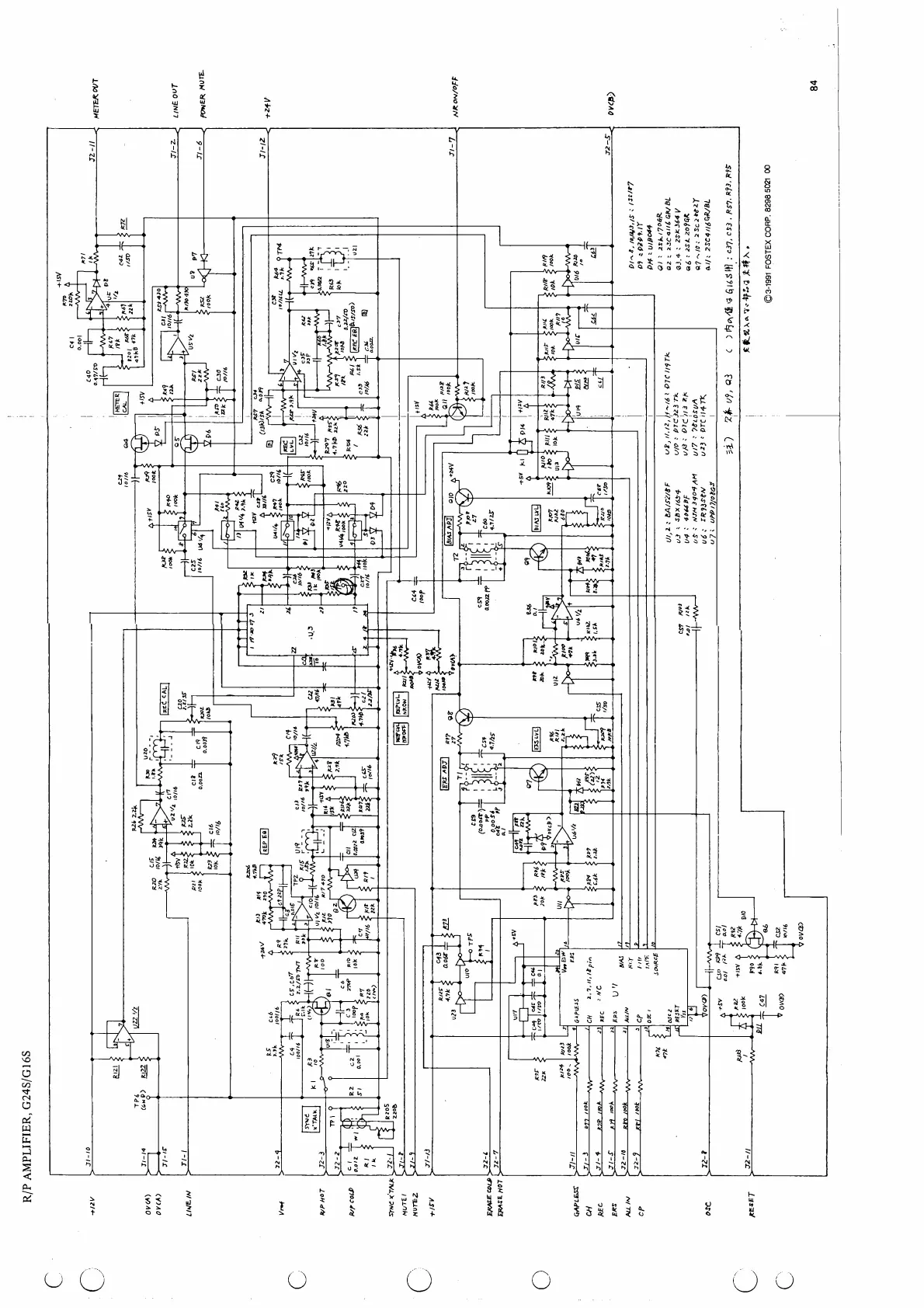
R/P
AMPLIFIER,
G24S/G16S
u
O
O

Other manuals for Fostex G16S

Related product manuals