EasyManua.ls Logo

Frick RWF 134 - Page 38

Frick RWF 134
56 pages
Print Icon
To Next Page IconTo Next Page
To Next Page IconTo Next Page
To Previous Page IconTo Previous Page
To Previous Page IconTo Previous Page
Loading...
RWF ROTARY SCREW COMPRESSOR UNITS
MAINTENANCE
S70-600 IOM
Page 38
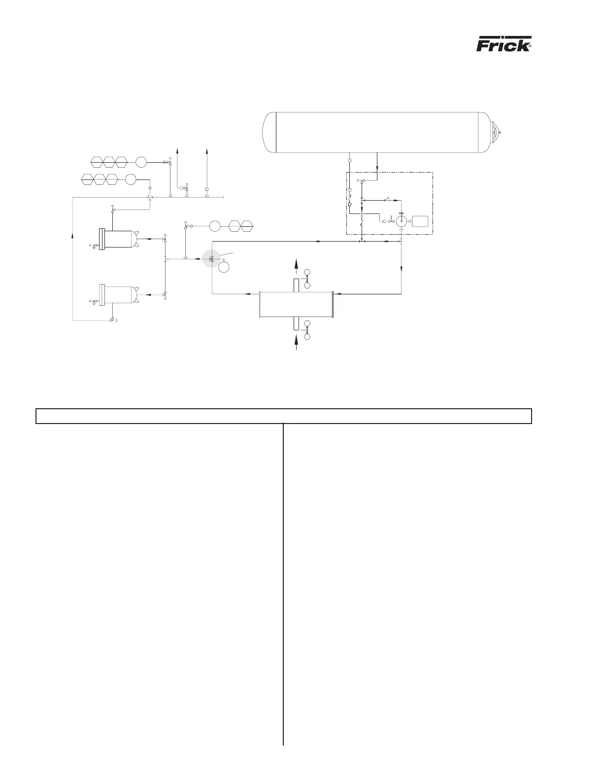
P & I DIAGRAM - OPTIONAL DUAL OIL FILTERS,
DEMAND OIL PUMP, THERMAL CONTROL VALVE
OF-2
OF-1
1
C
REFRIGERANT
OR WATER IN
C
F
PLATE COOLER
TSOC or WCOC
F
REFRIGERANT
OR WATER OUT
SEPARATOR
PDIPE
C
A
B
TCV
2
2
PDAH
2
CV-2
CV-1
STR-2
P-1
PM-1
OPTIONAL
THERMAL
CONTROL
VALVE
111 1
PA L
PA L L
PI PE
TA H H
3
TA H
3
TI
33
TE
TO COMPRESSOR
OPTIONAL
DUAL OIL FILTERS
OPTIONAL
DEMAND
OIL PUMP
LEGEND (Covers all P & I diagrams in this manual)
C COMPRESSOR
CV CHECK VALVE
DP DISCHARGE PRESSURE
FG FLOW GLASS
HV HAND VALVE
HTR HEATER
LG LEVEL GLASS
LSLL SEPARATOR LOW OIL LEVEL SHUTDOWN
MMOTOR
1MC MOTOR CONTROL CENTER
2MC MOTOR CONTROL CENTER
NOS NO OIL SWITCH
OF OIL FILTER
OP OIL PRESSURE
P DEMAND PUMP
PAH HIGH DISCHARGE PRESSURE ALARM
PAHH HIGH DISCHARGE PRESSURE SHUTDOWN
PAL LOW PRESSURE ALARM
PALL LOW PRESSURE SHUTDOWN
PDAH HIGH PRESSURE DIFFERENTIAL ALARM
PDI PRESSURE DIFFERENTIAL INDICATOR
PDSLL COMPRESSOR LOW DIFFERENTIAL PRESSURE CUTOUT
PE PRESSURE TRANSDUCERS
PI PRESSURE INDICATOR
PIC PRESSURE INDICATION CONTROLLER
PM PUMP MOTOR
PS PRESSURE SWITCH CONTROL
PSV HIGH PRESSURE SAFETY VALVE
SP SUCTION PRESSURE
STR STRAINER
TAH HIGH TEMPERATURE ALARM
TAHH HIGH TEMPERATURE SHUTDOWN
TAL LOW OIL TEMPERATURE ALARM
TALL LOW OIL TEMPERATURE SHUTDOWN
TC TEMPERATURE CONTROLLER
TCV THERMAL CONTROL VALVE
TE TEMPERATURE ELEMENT
TI TEMPERATURE INDICATOR
TS TEMPERATURE SWITCH
TSH TEMPERATURE SWITCH HIGH ALARM
TW THERMOWELL
VI VI CONTROL
SB-2 INLET BEARING & BALANCE PISTON
SB-3 DISCHARGE BEARINGS & SEAL
SC-1 SLIDE VALVE - UNLOAD
SC-2 SLIDE VALVE - LOAD
SC-3 MOVEABLE SLIDE STOP
SC-4 MOVEABLE SLIDE STOP
SC-5 INLET PRESSURE
SC-6 DISCHARGE PRESSURE
SC-7 SEAL WEEPAGE
SC-8 OIL DRAIN CONNECTION
SC-9 INLET HOUSING OIL DRAIN
SC-13 OIL DRAIN CYLINDER
SE-1 ELECTRICAL CONNECTION
SE-2 ELECTRICAL CONNECTION
SL-1 LIQUID INJECTION LOW VI
SL-2 LIQUID INJECTION HIGH VI
SM-1 MAIN OIL INJECTION
SV-1 VAPOR INJECTION TONGUE & GROOVE
SD-1 COALESCER BLEED STR THD O-RING PORT
TW-1 THERMOWELL
PRESSURE TRANSDUCERS INDICATE:
PE-1 OIL PRESSURE (MANIFOLD)
PE-2 OIL PRESSURE BEFORE FILTER
PE-3 DISCHARGE PRESSURE
PE-4 SUCTION PRESSURE
TEMPERATURE PROBES INDICATE:
TE-1 SUCTION GAS TEMPERATURE
TE-2 DISCHARGE GAS TEMPERATURE
TE-3 LUBE OIL TEMPERATURE
TE-4 SEPARATOR OIL TEMPERATURE
SOLENOID VALVE FUNCTION:
YY-1 ENERGIZE UNLOAD SLIDE VALVE
YY-2 ENERGIZE LOAD SLIDE VALVE
YY-3 ENERGIZE INCREASE VOLUME RATIO
YY-4 ENERGIZE DECREASE VOLUME RATIO

Table of Contents

Related product manuals