EasyManua.ls Logo

Frick SGCH-3519 - Page 18

Frick SGCH-3519
46 pages
Print Icon
To Next Page IconTo Next Page
To Next Page IconTo Next Page
To Previous Page IconTo Previous Page
To Previous Page IconTo Previous Page
Loading...
070.650-IOM (JUL 19)
Page 18
SGC/SGX ROTARY SCREW COMPRESSOR
INSTALLATION
590.6 [23.25]
91.2 [3.59]
327.2 [12.88]
SC-6
314.5 [12.38]
SL-2
SB-3
98.6 [3.88]
127 [5.00]
38.1 [1.50]
91.2 [3.59]
44.5 [1.75]
Ă444.5 [Ă17.50]
206.5 [8.13]
349.3 [13.75]
178.3 [7.02]
341.9 [13.46]
111 [4.37]
SD-1
97.3 [3.83]
203.2 [8.00]
804.6 [31.68]
SC-5
SC-14
197.1 [7.76]
104.6 [4.12]
365.3 [14.38]
198.6 [7.82]
139.7 [5.50]
SE-1
104.6 [4.12]
381 [15.00]
183.1 [7.21]
762 [30.00]
381 [15.00]
762 [30.00]
DISTANCE REQUIRED
FOR STRAINER REMOVAL
187.7 [7.39]
P
T
P
SB-2
30Ā
12.7 [.50]
12.7 [.50]
SB-2
819.1 [32.25]
INLET END
SCALE 1:2
SECTION A-A
A
A
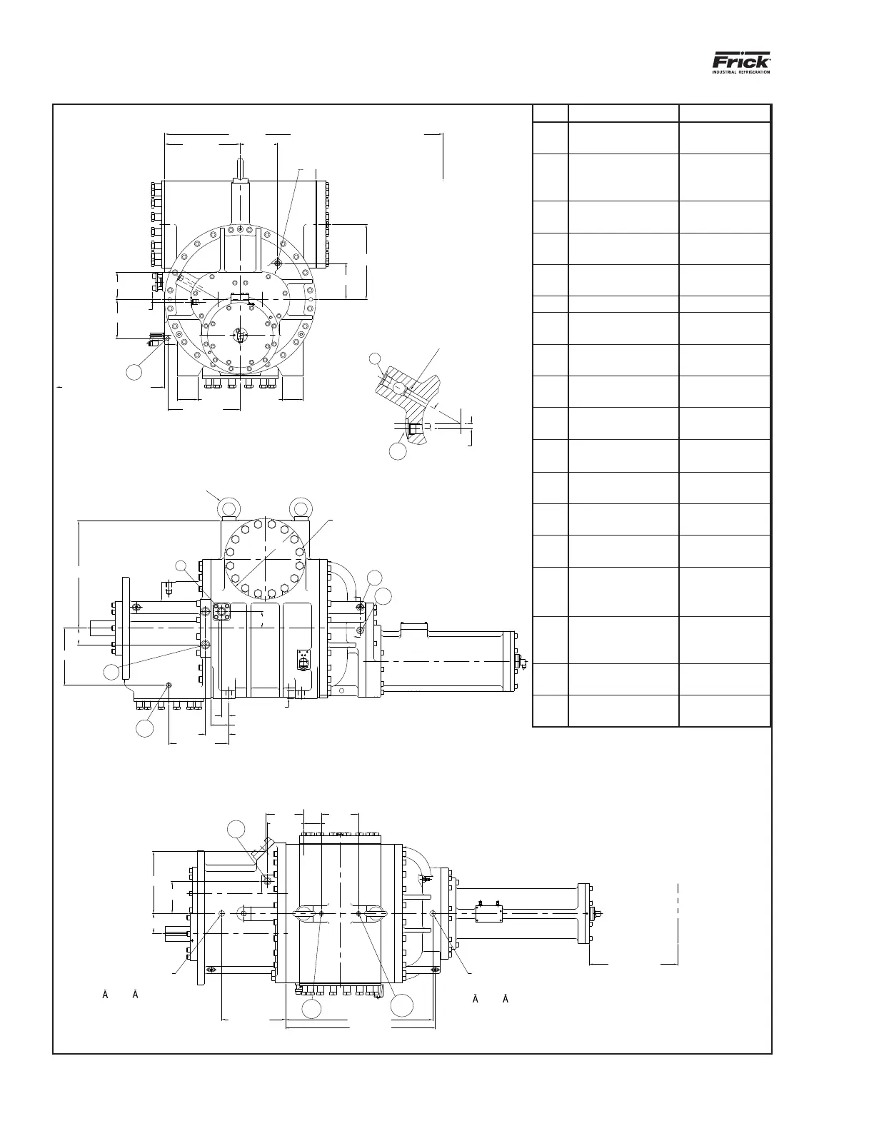
Figure 7: Port locations, SGC 2821
Port Thread size (in.) Description
P
1 1/16-12 UN-2B
straight THD O-ring
Manifold block
pressure
SB-2
1 1/16-12 UN-2B
straight THD O-ring
Balance piston
and inlet bear-
ings
SB-3 1 1/14 square flange
Compressor oil
supply
SC-5
9/16-18 UNF-2B
straight THD O-ring
Inlet pressure
SC-6
9/16-18 UNF-2B
straight THD O-ring
Discharge pres-
sure
SC-7 1/8-27 NPTF Seal weepage
SC-8
1 5/16-12 UN-2B
straight THD O-ring
Closed thread
drain
SC-9
9/16-18 UNF-2B
straight THD O-ring
Inlet housing oil
drain
SC-13
9/16-18 UNF-2B
straight THD O-ring
Oil drain cylinder
SC-14
9/16-18 UNF-2B
straight THD O-ring
Liquid injection
bleed
SD-1
1 1/16-12 UN-2B
straight THD O-ring
Coalescer bleed
SE-1 1/2-14 NPTF
Electrical con-
nector
SL-1
1 5/16-12 UN-2B
straight THD O-ring
Low Vi liquid
injection
SL-2
1 5/16-12 UN-2B
straight THD O-ring
Hi Vi liquid injec-
tion
SM-1
1 5/8-12 UN-2B
straight THD O-ring
Main oil injection
SV-1 2 1/2 square ange
Vapor injection-
tongue and
groove
TE-1 3/4-14 NPTF
Suction gas tem-
perature element
T
3/4-16 UNF-2B
straight THD O-ring
Manifold block
tank
762 [30.00]
DISTANCE REQUIRED FOR
STRAINER REMOVAL
355.6 [14.00]
DISTANCE REQUIRED FOR
TRANSMITTER REMOVAL
INSTALL A SOLID 1/2-14 NPTF
PIPE PLUG IN THIS LOCATION
WHEN USING PORT SB-2 FOR
BALANCE PISTON AND INLET
BEARING SUPPLY.
DO NOT PLUG THIS PASSAGE IF
PORT SB-2 IS NOT PIPED. BLOCK-
ING THIS PASSAGE WHEN PORT
SB-2 IS NOT PIPED CAN RESULT
IN A CATASTROPHIC FAILURE DUE
TO LACK OF OIL SUPPLIED TO
THE BALANCE PISTON AND INLET
BEARINGS.
SUCTION FLANGE
"10" CLASS 300 ANSI FLANGE
M24 X 3.0-6H
44.5 [1.75] DP 16 PL
EQUALLY SPACED ON A 387.4 [15.25] B.C.
M36 EYEBOLT FOR LIFTING (USE 2 SHOWN
WHEN MOUNTING COMPRESSOR
INLET END
TRANSDUCER
MOUNTING
SPOTFACE
31.8 [ 1.25]
1.5 [.06] DP
1/4-28 UN-2B
12.7 [.50] DP
TRANSDUCER
MOUNTING
SPOTFACE
31.8 [ 1.25]
1.5 [.06] DP
1/4-28 UN-2B
12.7 [.50] DP
965.2 [38.00]
DISTANCE REQUIRED FOR
CYLINDER REMOVAL
MOUNTING FOOTC
L
SECTION A-A
SCALE 1:2

Table of Contents

Related product manuals