EasyManua.ls Logo

Friedrich FPHFW12A3A - Outdoor Units

Friedrich FPHFW12A3A
121 pages
Print Icon
To Next Page IconTo Next Page
To Next Page IconTo Next Page
To Previous Page IconTo Previous Page
To Previous Page IconTo Previous Page
Loading...
84 PB
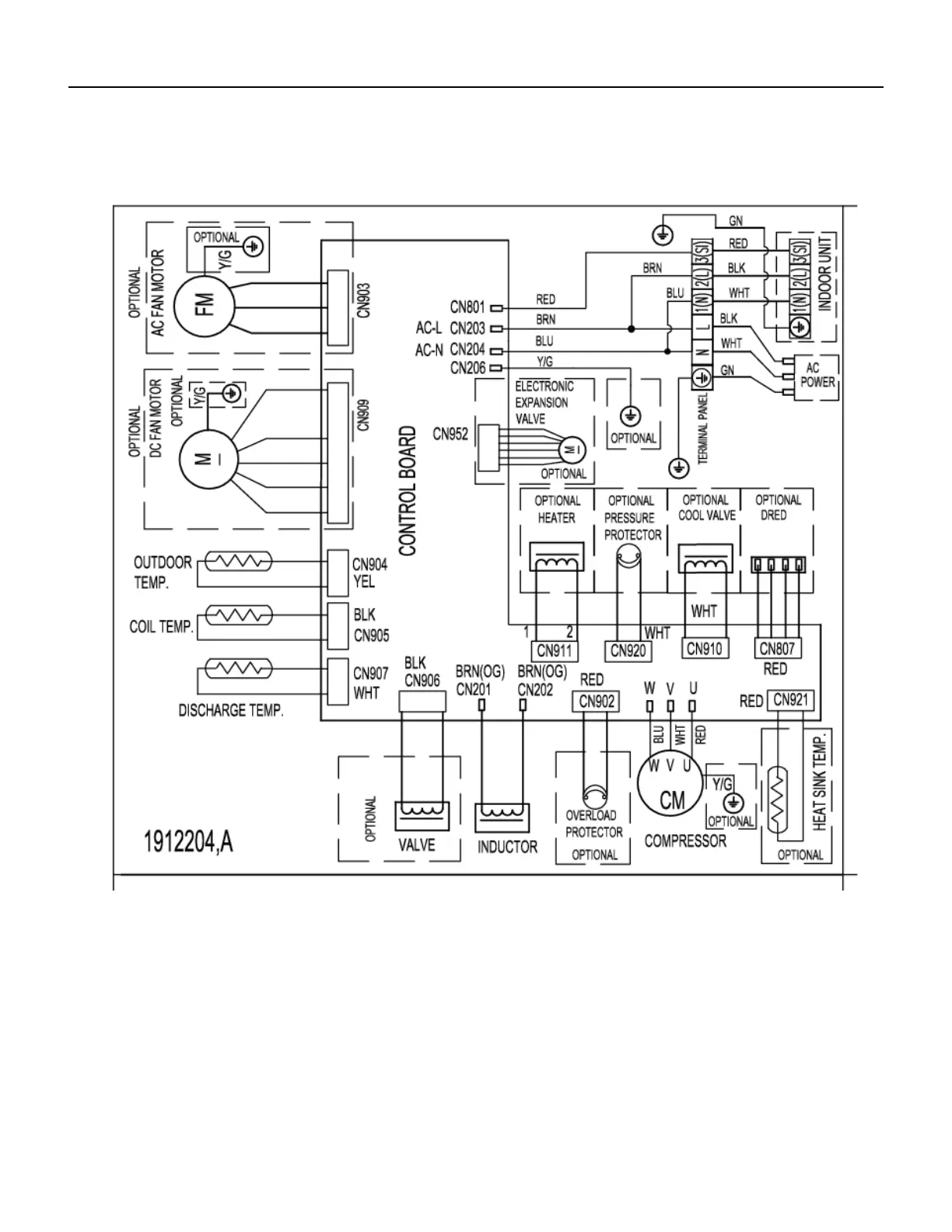
WIRING DIAGRAMS
Outdoor Units
Figure 805
1912204, 1854707

Table of Contents

Other manuals for Friedrich FPHFW12A3A

Related product manuals