EasyManua.ls Logo

Friedrich MR30C3F - Outdoor Unit Specific PCB Diagrams

Friedrich MR30C3F
27 pages
Print Icon
To Next Page IconTo Next Page
To Next Page IconTo Next Page
To Previous Page IconTo Previous Page
To Previous Page IconTo Previous Page
Loading...
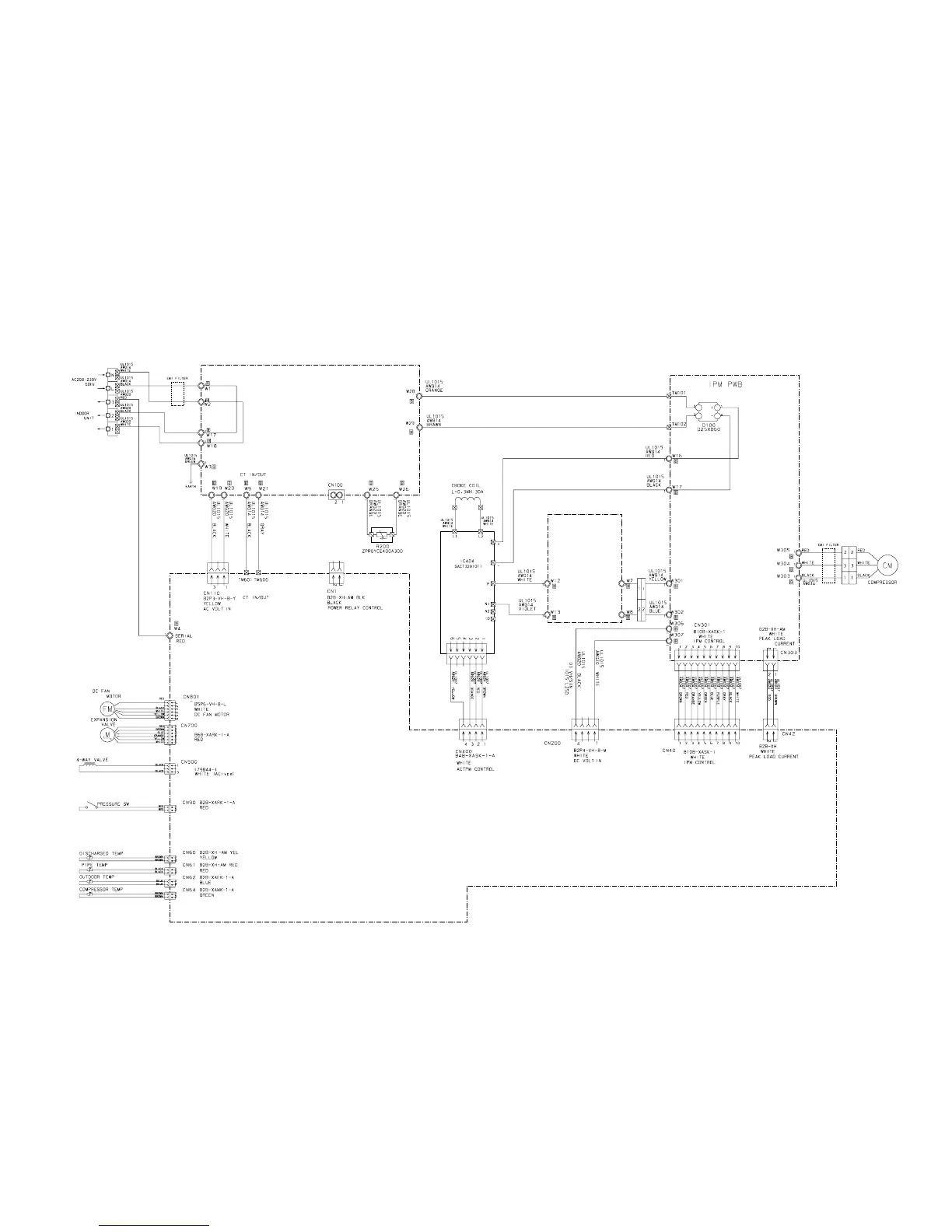
TR PCB ASSY ( I P M )
K05CZ-0503HUE-TR0
CAPACITOR PCB ASSY
K05FB-0500HUE-P0
ACTPM
CONTROLLER PCB ASSY
K05CU-0503HUE-C1
POWER SUPPLY PCB ASSY
K05CW-0503HUE-FL0
INVERTER ASSEMBLY
EZ-00502HUE
Model : MR30C3F
OUTDOOR PCB CIRCUIT DIAGRAM
92006.03.15

Related product manuals