EasyManua.ls Logo

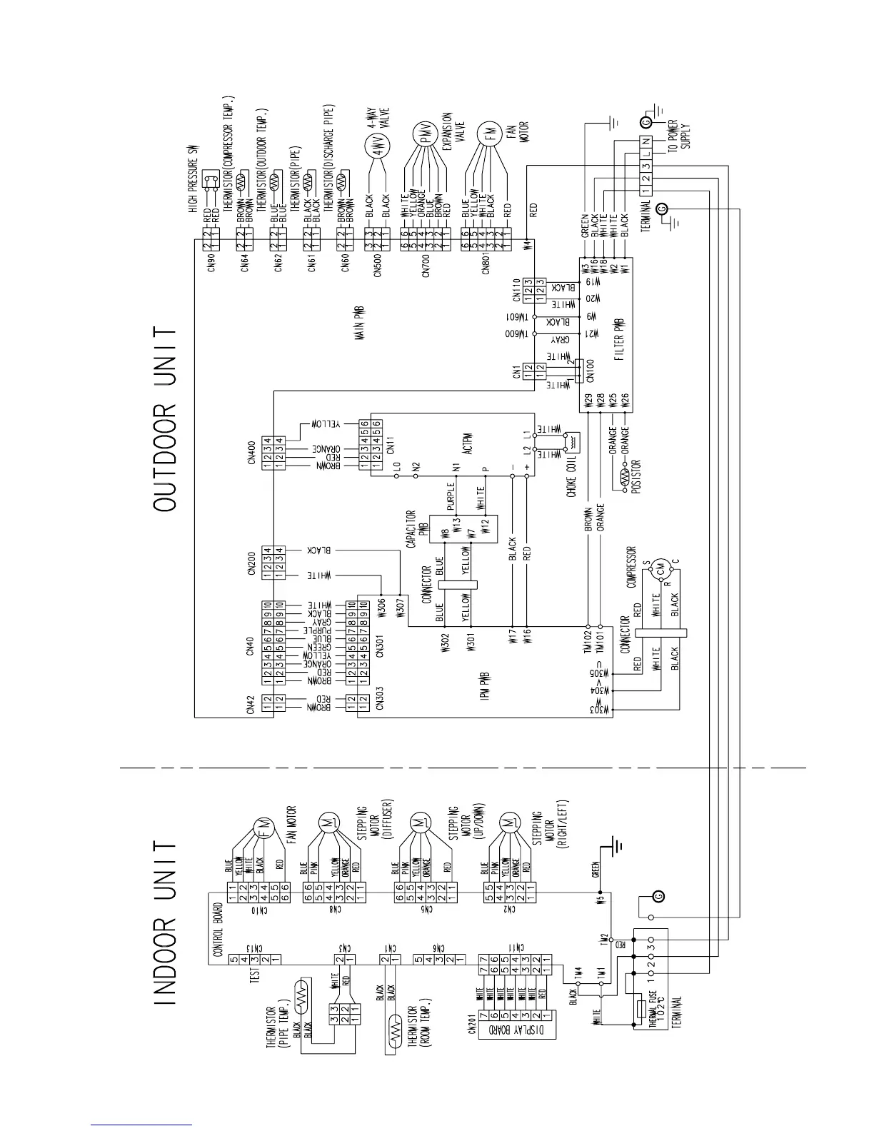
Friedrich MR30C3F - Overall Circuit Diagram

Friedrich MR30C3F
27 pages
Print Icon
To Next Page IconTo Next Page
To Next Page IconTo Next Page
To Previous Page IconTo Previous Page
To Previous Page IconTo Previous Page
Loading...
CIRCUIT DIAGRAM
2006.02.22 5

Related product manuals