EasyManua.ls Logo

Frigidaire 36" - Page 27

Frigidaire 36"
28 pages
Print Icon
To Next Page IconTo Next Page
To Next Page IconTo Next Page
To Previous Page IconTo Previous Page
To Previous Page IconTo Previous Page
Loading...
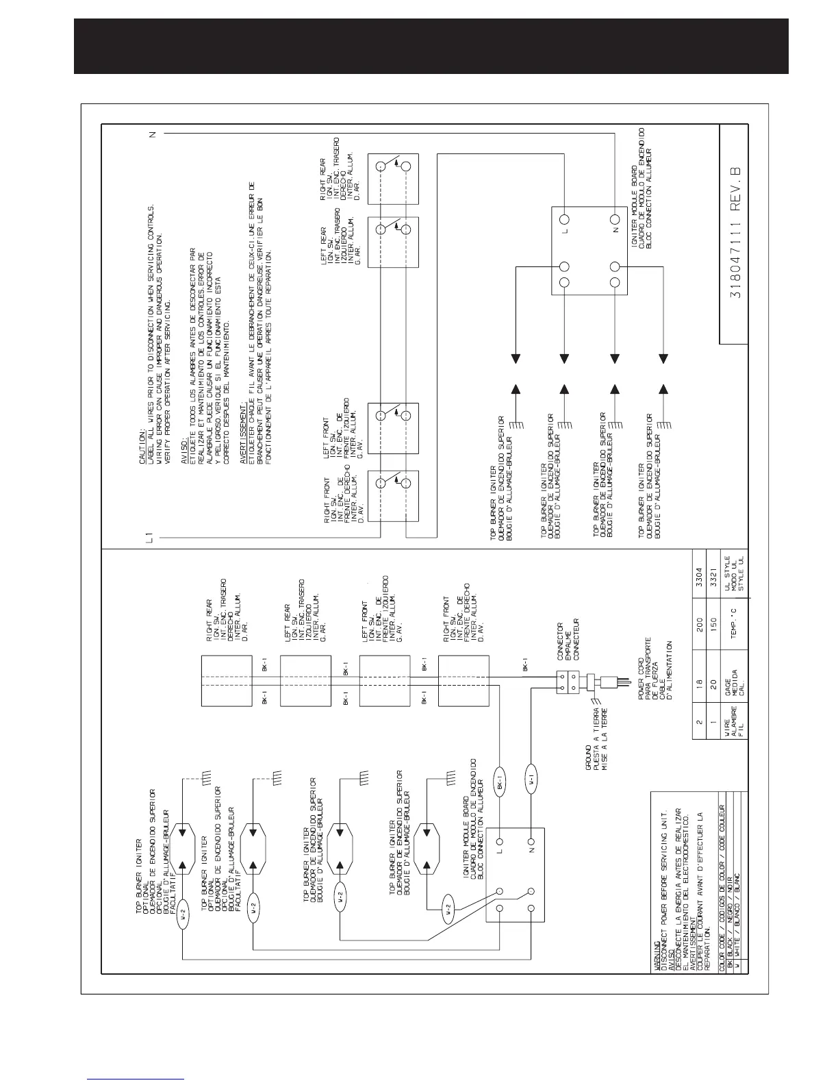
WIRING DIAGRAM - SCHÉMA DE CÂBLAGE - DIAGRAMA DE LA INSTALACIÓN ALÁMBRICA
(30” Gas Cooktop - Table de cuisson à gaz 30” - Plancha de cocinar a gas modelos de 30 pulgadas)
27

Related product manuals