EasyManua.ls Logo

Frigidaire 36" - Page 28

Frigidaire 36"
28 pages
Print Icon
To Previous Page IconTo Previous Page
To Previous Page IconTo Previous Page
Loading...
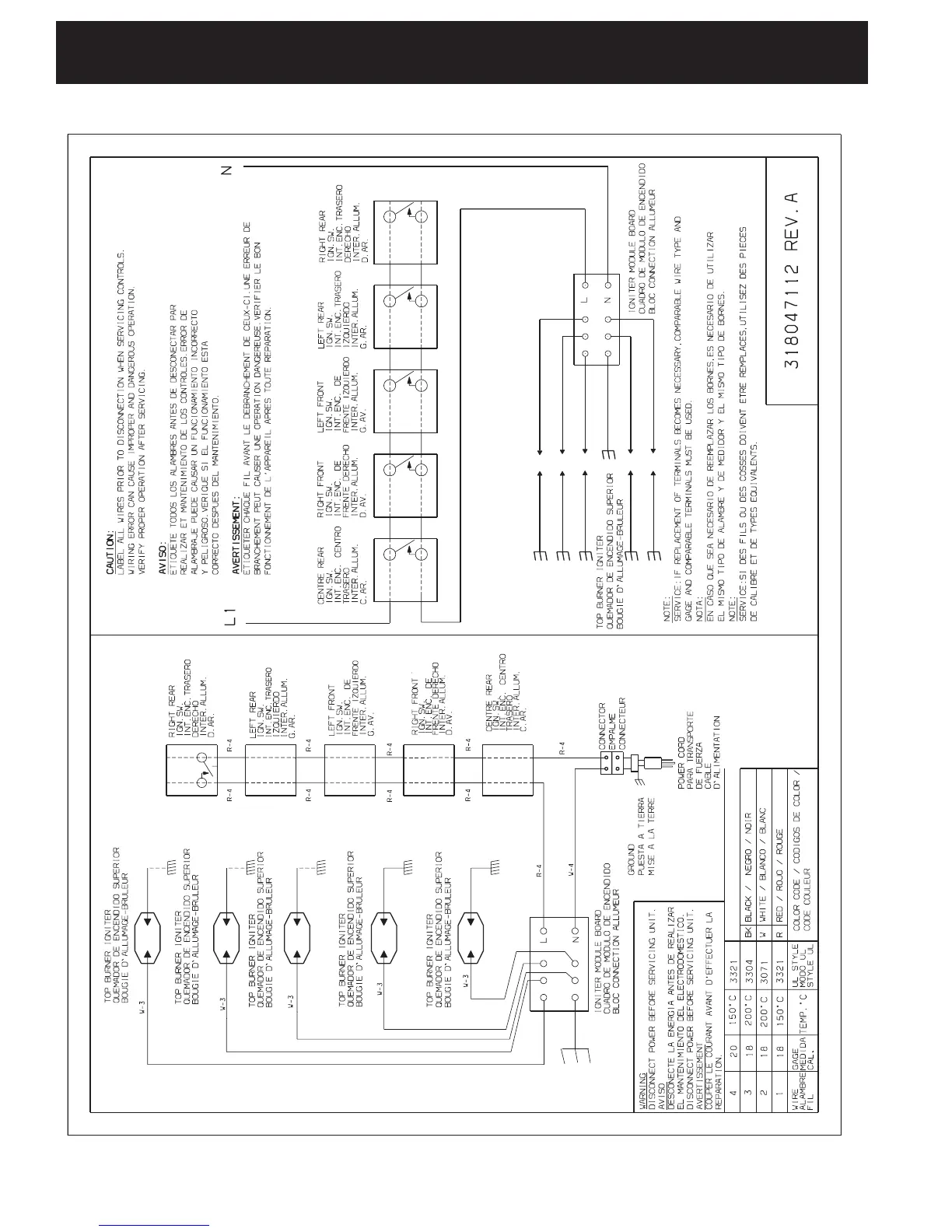
WIRING DIAGRAM - SCHÉMA DE CÂBLAGE - DIAGRAMA DE LA INSTALACIÓN ALÁMBRICA
(36” Gas Cooktop - Table de cuisson à gaz 36” - Plancha de cocinar a gas modelos de 36 pulgadas)
28

Related product manuals