EasyManua.ls Logo

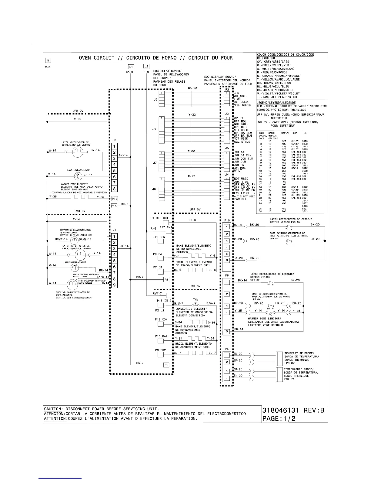
Frigidaire C970-6001 - Wiring Diagrams; Oven Circuit Diagram

Frigidaire C970-6001
13 pages
Print Icon
To Next Page IconTo Next Page
To Next Page IconTo Next Page
To Previous Page IconTo Previous Page
To Previous Page IconTo Previous Page
Loading...
Publication No: 5995563664 C970-600133
04/10 12
WIRING DIAGRAM

Related product manuals