EasyManua.ls Logo

Frontgate 42138 - AM;FM;CD-DVD;TV Connections; Antenna Connections; Audio;Video Input Connections

Frontgate 42138
20 pages
Print Icon
To Next Page IconTo Next Page
To Next Page IconTo Next Page
To Previous Page IconTo Previous Page
To Previous Page IconTo Previous Page
Loading...
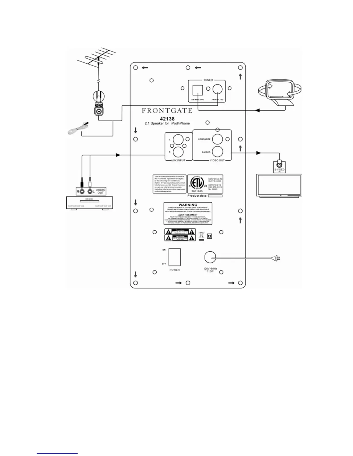
7. AM/FM/CD-DVD/TV Connections
FM ANTENNA
DIRECTION OF
BROADCASTING
STATION
75/ohms
COAXIAL
CABLE
AM LOOP ANTENNA
(Supplied)
FM INDOOR ANTENNA (Supplied)
TV
CD/DVD
10