EasyManua.ls Logo

Fujitsu AGHG12KVCB - Page 31

Fujitsu AGHG12KVCB
129 pages
To Next Page IconTo Next Page
To Next Page IconTo Next Page
To Previous Page IconTo Previous Page
To Previous Page IconTo Previous Page
Loading...
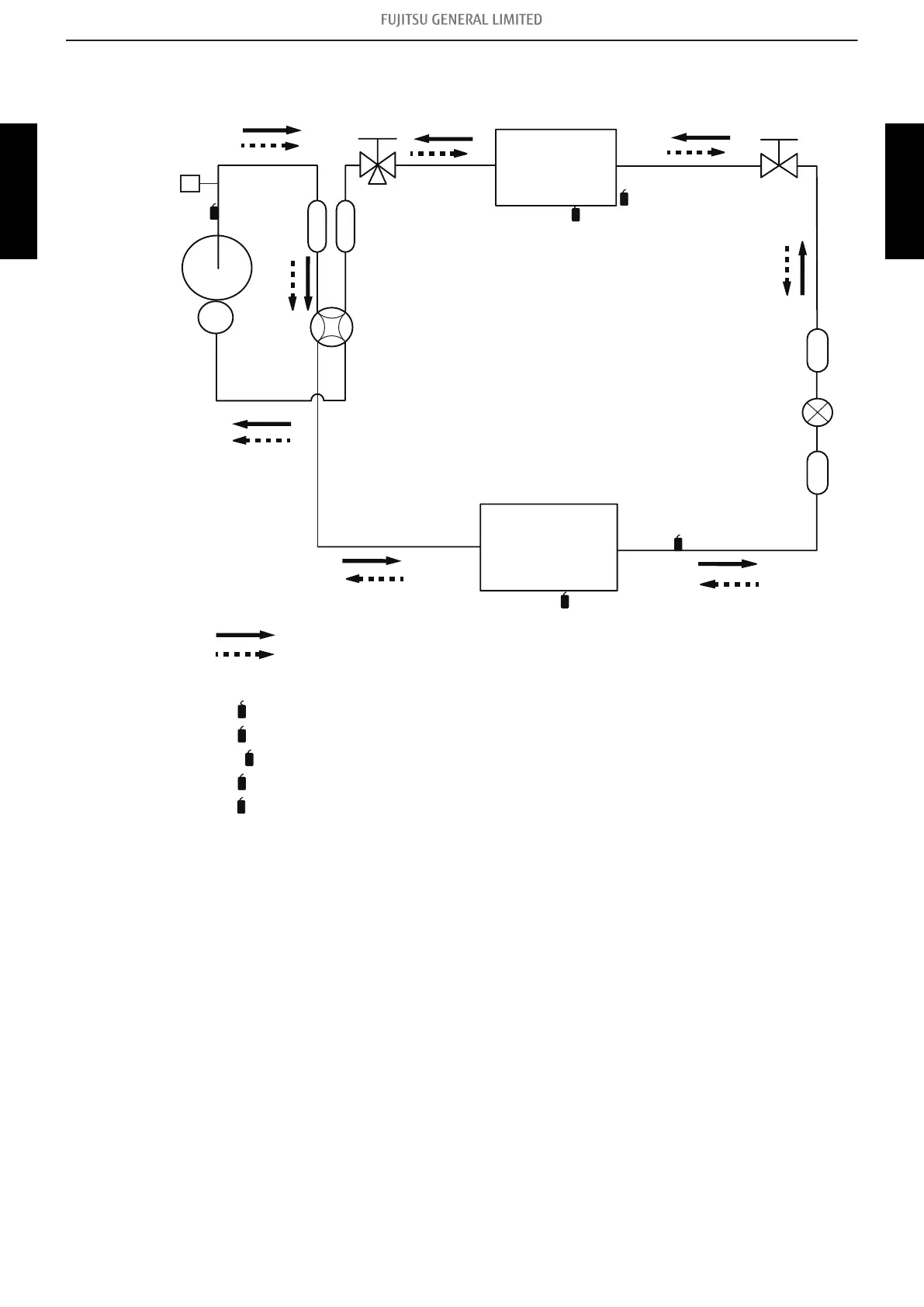
6-2. Models: AOHG12KVCBN and AOHG14KVCBN
2-Way
valve
Strainer
Strainer
3-Way
valve
MufflerMuffler
4-Way valve
Expansion valve
Heat exchanger
( INDOOR )
Heat exchanger
( OUTDOOR )
Compressor
Cooling
Heating
Th
D
Th
R
Th
P
Th
HO
Th
O
: Thermistor (Discharge Temp.)
: Thermistor (Outdoor Temp.)
: Thermistor (Heat Exchanger Out Temp.)
Th
D
Th
O
Th
HO
: Thermistor (Room Temp.)
: Thermistor (Pipe Temp.)
Th
R
Th
P
Pressure
switch
6-2. Models: AOHG12KVCBN and AOHG14KVCBN - (02-17) - 6. Refrigerant system diagrams
TECHNICAL DATA
AND PARTS LIST
TECHNICAL DATA
AND PARTS LIST

Related product manuals