EasyManua.ls Logo

Fujitsu AOU18RLFC - Wiring Diagrams; Models: AOU9 RLFC and AOU12 RLFC; Model: AOU18 RLFC

Fujitsu AOU18RLFC
65 pages
Print Icon
To Next Page IconTo Next Page
To Next Page IconTo Next Page
To Previous Page IconTo Previous Page
To Previous Page IconTo Previous Page
Loading...
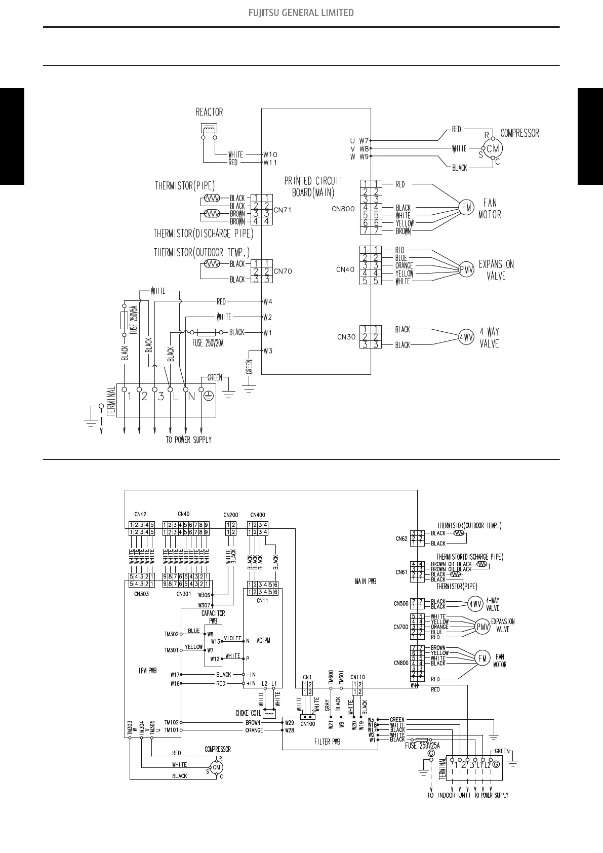
4. Wiring diagrams
4-1. Models: AOU9RLFC and AOU12RLFC
4-2. Model: AOU18RLFC
- 52 -
4-1. Models: AOU9RLFC and AOU12RLFC 4. Wiring diagrams
OUTDOOR UNIT
AOU9-18RLFC
OUTDOOR UNIT
AOU9-18RLFC

Other manuals for Fujitsu AOU18RLFC

Related product manuals