EasyManua.ls Logo

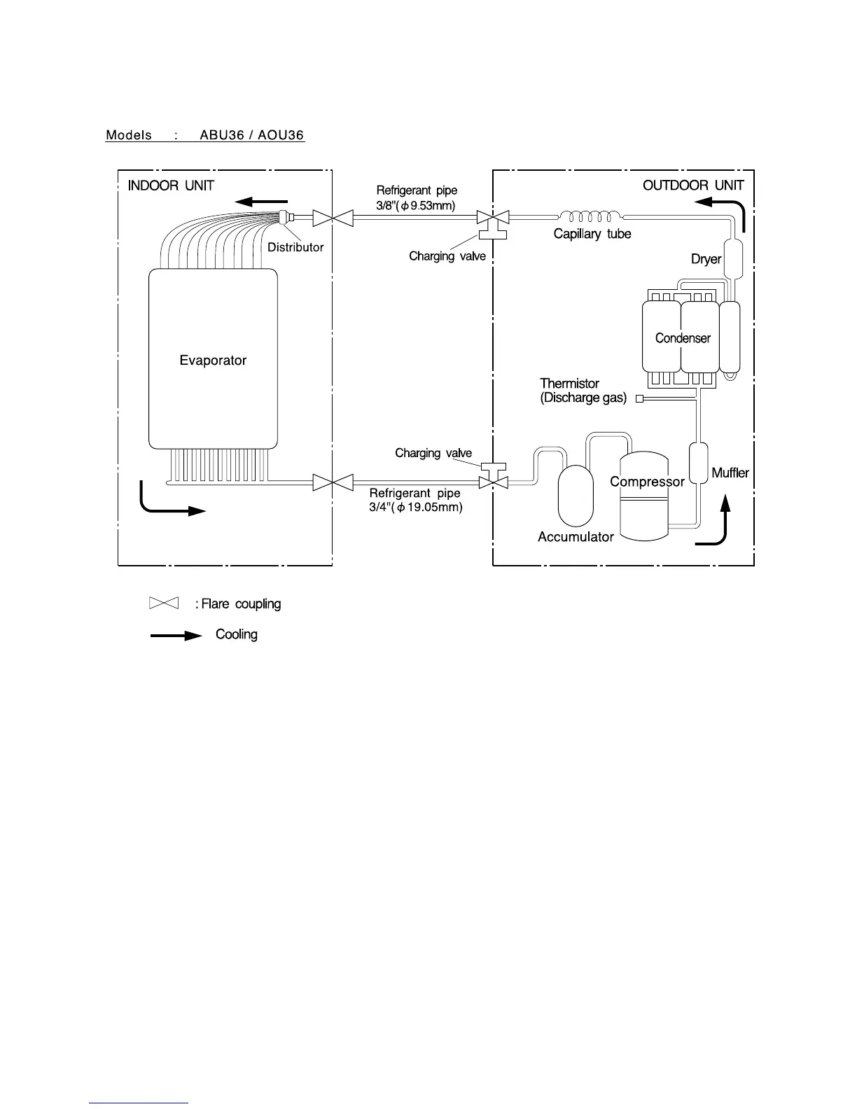
Fujitsu AOU36 - Refrigerant System Diagram

Fujitsu AOU36
20 pages
Print Icon
To Next Page IconTo Next Page
To Next Page IconTo Next Page
To Previous Page IconTo Previous Page
To Previous Page IconTo Previous Page
Loading...
– 3
REFRIGERANT SYSTEM DIAGRAM

Other manuals for Fujitsu AOU36

Related product manuals