EasyManua.ls Logo

Fujitsu AR*9LUAB - Refrigerant Circuit

Fujitsu AR*9LUAB
96 pages
Print Icon
To Next Page IconTo Next Page
To Next Page IconTo Next Page
To Previous Page IconTo Previous Page
To Previous Page IconTo Previous Page
Loading...
- (02 - 03) -
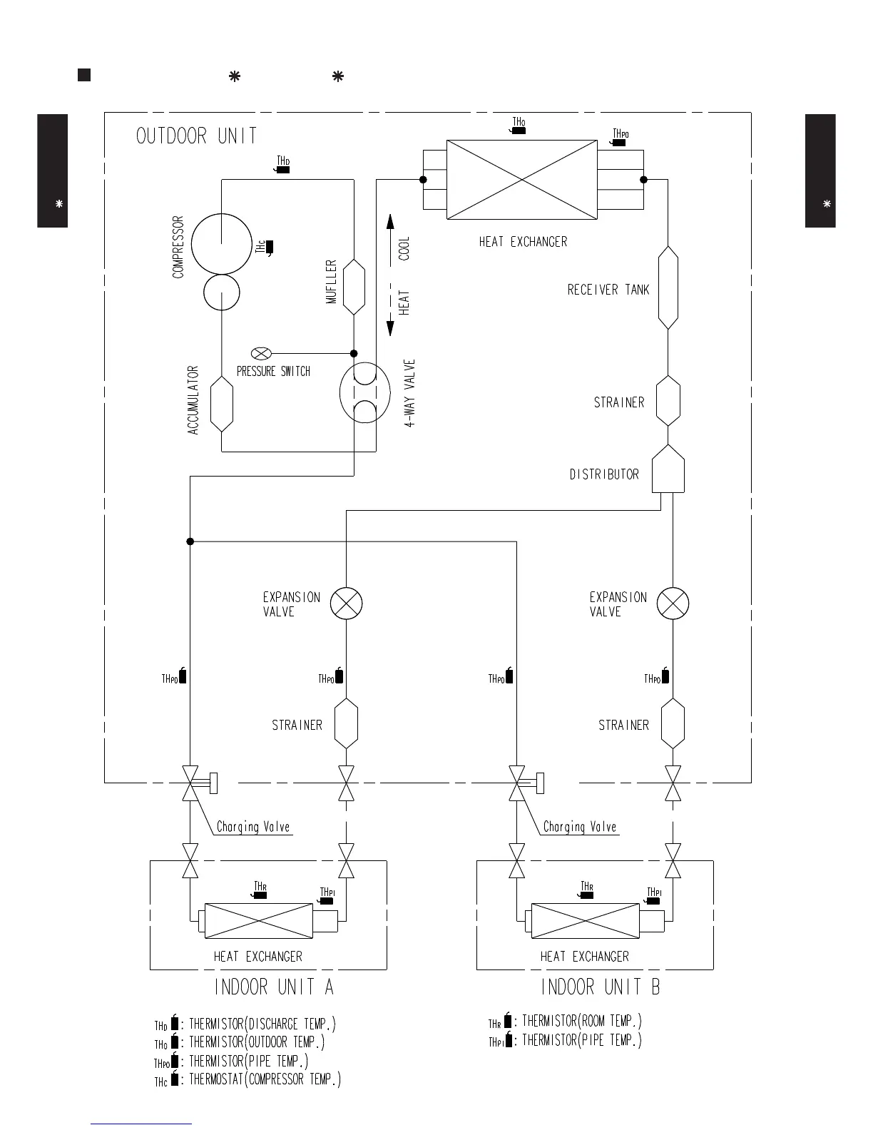
3. REFRIGERANT CIRCUIT
MODELS : AO 18L2, AO 24L2
OUTDOOR UNIT
AO 18-24L2
OUTDOOR UNIT
AO 18-24L2

Other manuals for Fujitsu AR*9LUAB

Related product manuals