EasyManua.ls Logo

Fujitsu AR*9LUAB - Wiring Diagrams

Fujitsu AR*9LUAB
96 pages
Print Icon
To Next Page IconTo Next Page
To Next Page IconTo Next Page
To Previous Page IconTo Previous Page
To Previous Page IconTo Previous Page
Loading...
- (02 - 04) -
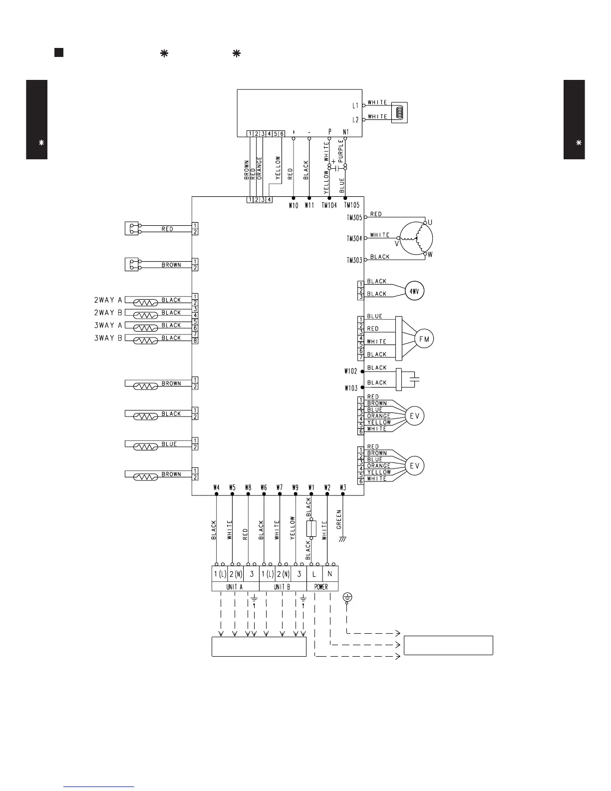
MODELS : AO 18L2, AO 24L2
OUTDOOR UNIT
AO 18-24L2
OUTDOOR UNIT
AO 18-24L2
4.
WIRING DIAGRAMS
Thermistor
(heat sink)
Expansion
valve coil B
Expansion
valve coil A
Fan capacitor
Fan motor
4-way valve
Compressor
FUSE 25A 250V
TO INDOOR UNIT TO POWER SUPPLY
Choke coil
Capacitor
PCB
CN39
CN38
CN37
CN407
CN11
CN21
CN22
CN25
CN27
CN11
CN30
CN28
CN23
Pressure sw
Active
filter
module
Compressor
thermal sw
Thermistor (valve)
Fuse
F2 T 3.15A 250V
Fuse
F4 T 5A 250V
Thermistor
(outdoor)
Thermistor
(pipe)
Thermistor
(discharge)

Other manuals for Fujitsu AR*9LUAB

Related product manuals