EasyManua.ls Logo

Fujitsu AS*12LEC - Wiring Diagrams

Fujitsu AS*12LEC
40 pages
Print Icon
To Next Page IconTo Next Page
To Next Page IconTo Next Page
To Previous Page IconTo Previous Page
To Previous Page IconTo Previous Page
Loading...
-
(
02 - 04
)
-
OUTDOOR UNIT
AO
R09-12LE
OUTDOOR UNIT
AO
R09-12LE
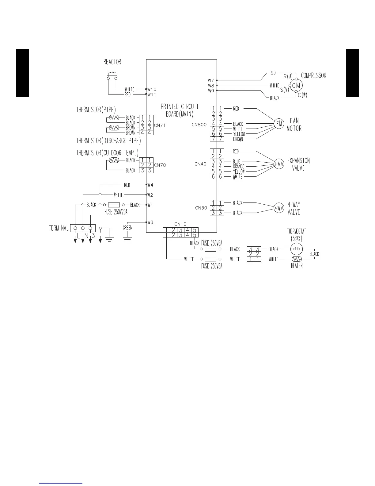
WIRING DIAGRAMS4.
MODEL
:AO
R09LE, AO
R12LE

Related product manuals