EasyManua.ls Logo

Fujitsu ASTG18KMCA - Wiring Diagrams

Fujitsu ASTG18KMCA
50 pages
To Next Page IconTo Next Page
To Next Page IconTo Next Page
To Previous Page IconTo Previous Page
To Previous Page IconTo Previous Page
Loading...
- (02 - 05) -
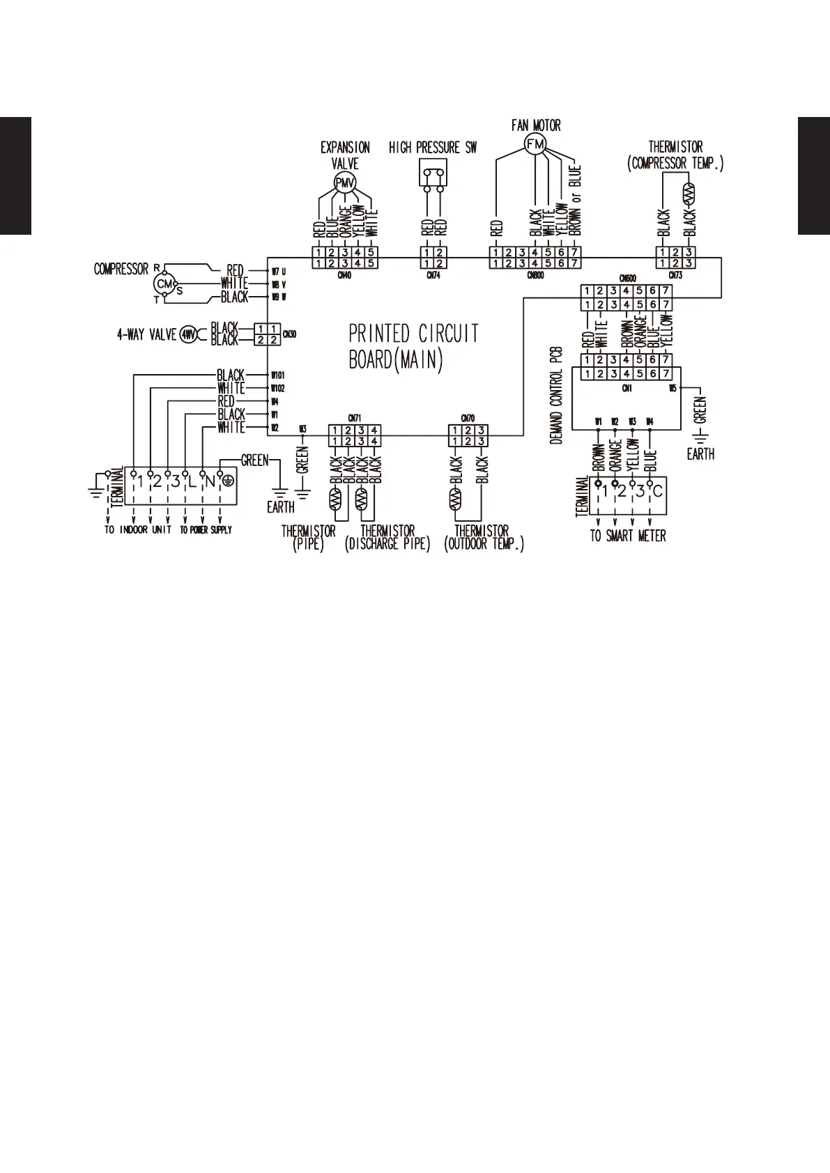
OUTDOOR UNIT
AOTG18-24KMCA
OUTDOOR UNIT
AOTG18-24KMCA
WIRING DIAGRAMS4.
MODEL
: AOTG18KMCA, AOTG22KMCA, AOTG24KMCA

Other manuals for Fujitsu ASTG18KMCA

Related product manuals