EasyManua.ls Logo

Fujitsu ASU15RLS3 - Page 42

Fujitsu ASU15RLS3
53 pages
Print Icon
To Next Page IconTo Next Page
To Next Page IconTo Next Page
To Previous Page IconTo Previous Page
To Previous Page IconTo Previous Page
Loading...
- (02 - 04) -
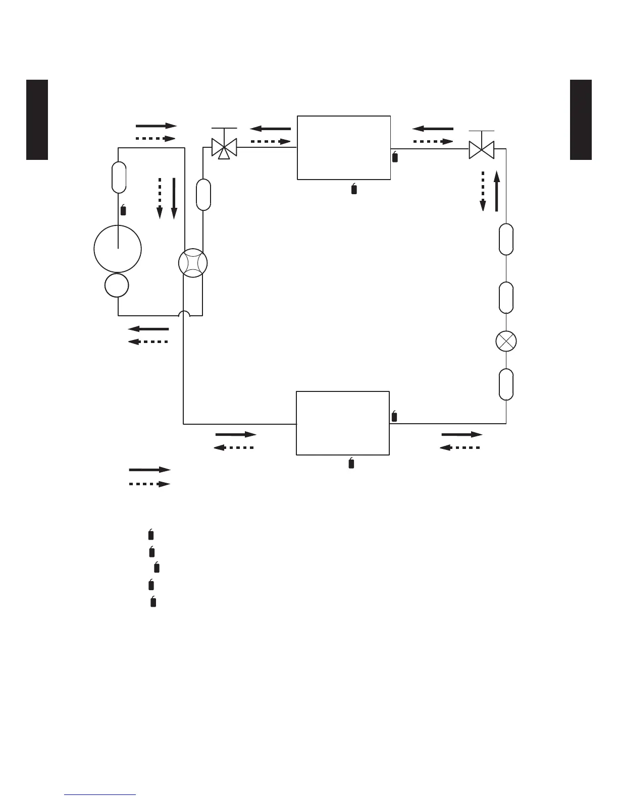
OUTDOOR UNIT
AOU9-15RLS3H
OUTDOOR UNIT
AOU9-15RLS3H
MODEL
: AOU15RLS3H
Th
R
Th
PI
Th
R
Th
PI
Th
D
Th
D
Th
O
Th
HO
Thermistor (Room Temp.)
Thermistor (Pipe Temp.)
Thermistor (Discharge Temp.)
Thermistor (Outdoor Temp.)
Thermistor (Heat Exchanger Out Temp.)
Th
O
Th
HO
Compressor
Muffler
Muffler
Heat exchanger
(INDOOR)
Heat exchanger
(OUTDOOR)
3-Way
valve
2-Way
valve
Refrigerant pipe diameter
Liquid: 1/4” (6.35 mm)
Gas: 1/2” (12.70 mm)
Cooling
Heating
Receiver
Strainer
Strainer
Expansion valve

Other manuals for Fujitsu ASU15RLS3

Related product manuals