EasyManua.ls Logo

Fujitsu ASU15RLS3 - Wiring Diagrams

Fujitsu ASU15RLS3
53 pages
Print Icon
To Next Page IconTo Next Page
To Next Page IconTo Next Page
To Previous Page IconTo Previous Page
To Previous Page IconTo Previous Page
Loading...
- (02 - 05) -
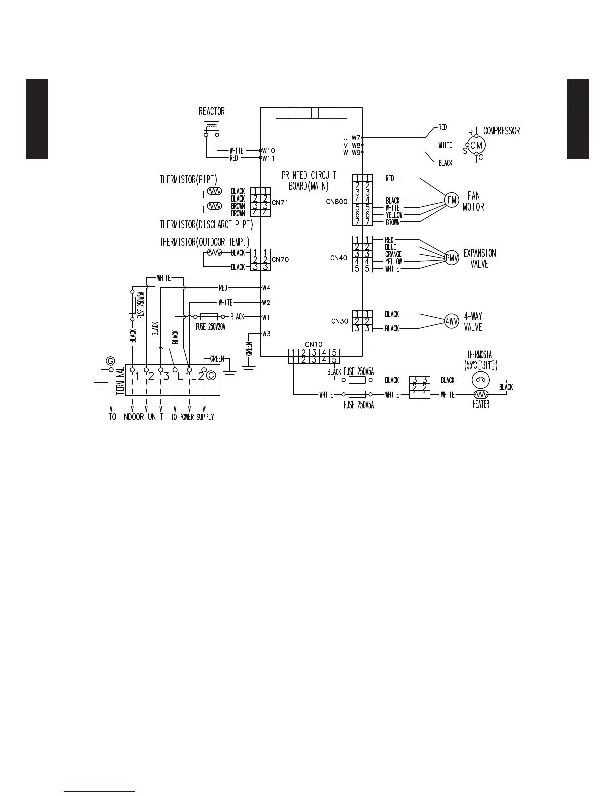
OUTDOOR UNIT
AOU9-15RLS3H
OUTDOOR UNIT
AOU9-15RLS3H
WIRING DIAGRAMS4.
MODEL
: AOU9RLS3H, AOU12RLS3H
CN580
SERVICE
MONITOR
1 2 3 4 5 6 7 8 9 10

Other manuals for Fujitsu ASU15RLS3

Related product manuals