EasyManua.ls Logo

Fujitsu ASUG09LMAS - Wiring Diagrams (Indoor Unit)

Fujitsu ASUG09LMAS
134 pages
Print Icon
To Next Page IconTo Next Page
To Next Page IconTo Next Page
To Previous Page IconTo Previous Page
To Previous Page IconTo Previous Page
Loading...
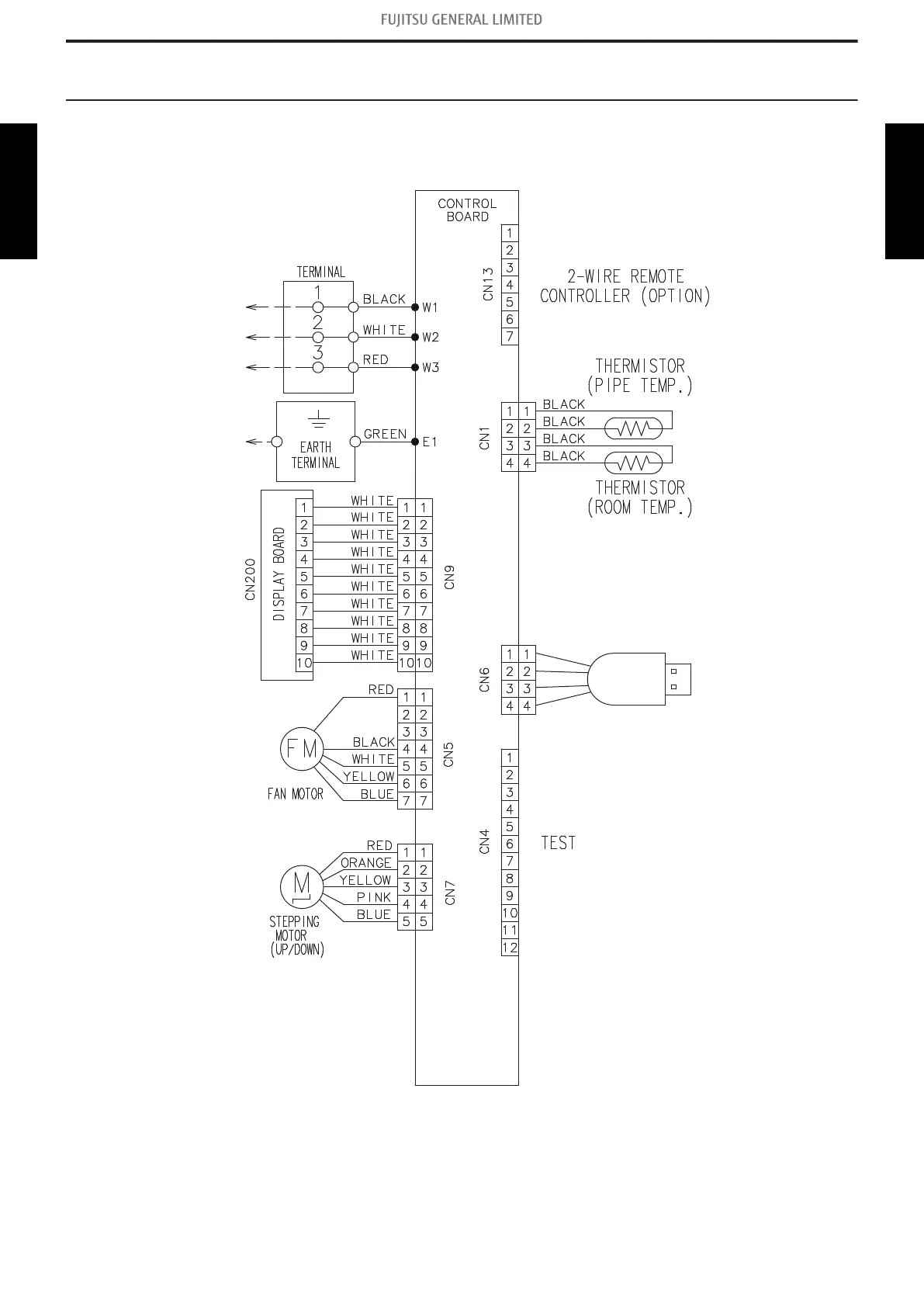
7. Wiring diagrams
7-1. Indoor unit
¢
Models: ASUG09LMAS and ASUG12LMAS
7-1. Indoor unit - (02-14) - 7. Wiring diagrams
TECHNICAL DATA
AND PARTS LIST
TECHNICAL DATA
AND PARTS LIST

Table of Contents

Related product manuals