EasyManua.ls Logo

Fujitsu ASY12RSJCW - Circuit Diagram

Fujitsu ASY12RSJCW
16 pages
Print Icon
To Next Page IconTo Next Page
To Next Page IconTo Next Page
To Previous Page IconTo Previous Page
To Previous Page IconTo Previous Page
Loading...
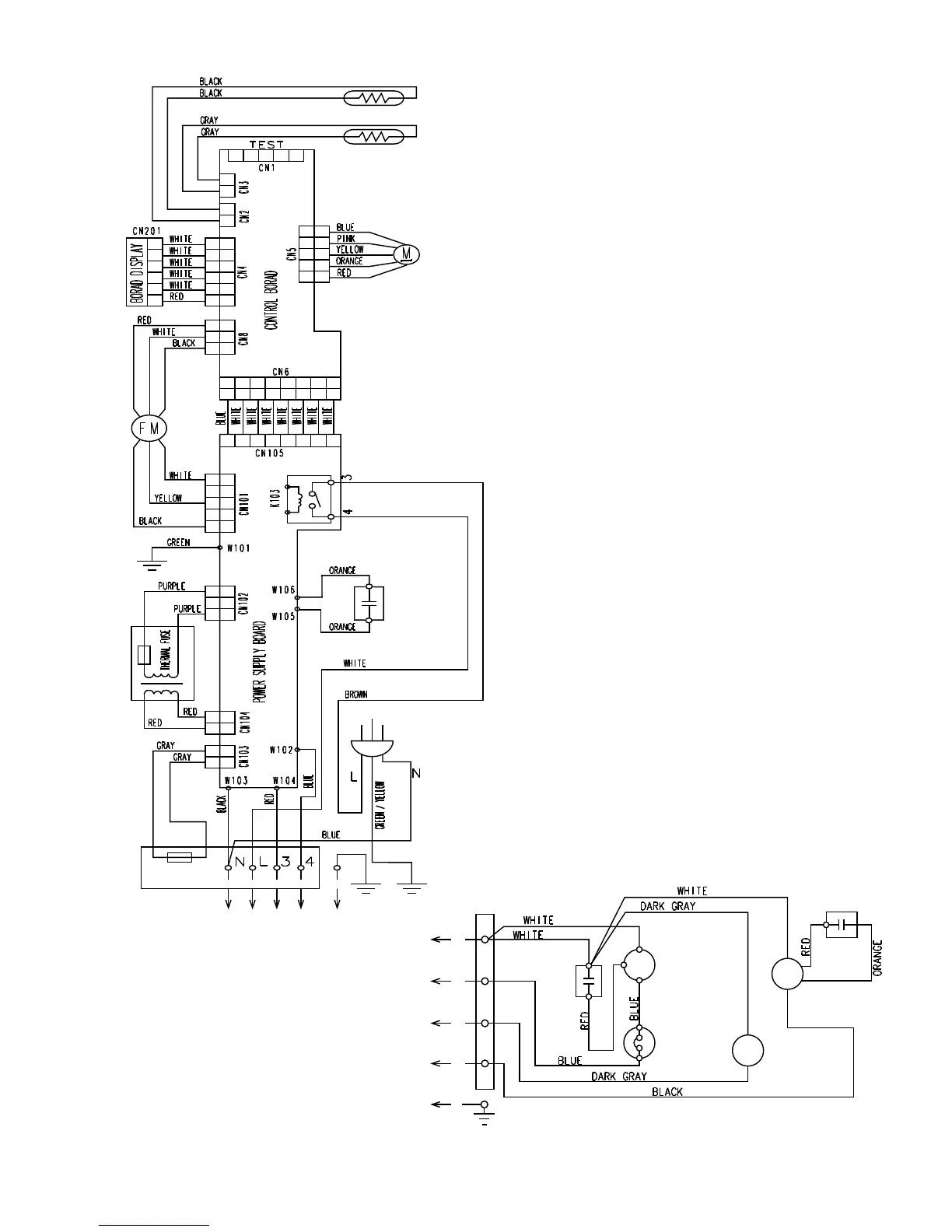
CIRCUIT DIAGRAM
INDOOR UNIT
OUTDOOR UNIT
Fan Motor
Capacitor
Terminal
Transformer
Stepping Motor
Fan
Motor
Relay
Thermistor
(pipe)
Thermistor
(room)
4
2005.02.17
1
1
2
1
2
6
5
4
3
2
5
4
3
2
1
5
4
3
2
1
10
9
8
7
6
10
9
8
7
6
1
6
5
4
1
2
3
1
2
3
3
2
1
3
2
1
2
1
2
1
2
1
2
1
3
2
1
6
5
4
3
2
1
2 3 4 5
1 2 3 4 5 6 7 8
1 2 3 4 5 6 7 8
1 2 3 4 5 6 7 8
Thermal Fuse
Fan Motor
Capacitor
Terminal
Fan Motor
4-way
Valve Coil
Overload
Relay
Compressor
Compressor
Capacitor
N
L
3
4
C
S
R
CM
SV
FM

Related product manuals