EasyManua.ls Logo

Fujitsu ASY17USCQ - Page 6

Fujitsu ASY17USCQ
19 pages
Print Icon
To Next Page IconTo Next Page
To Next Page IconTo Next Page
To Previous Page IconTo Previous Page
To Previous Page IconTo Previous Page
Loading...
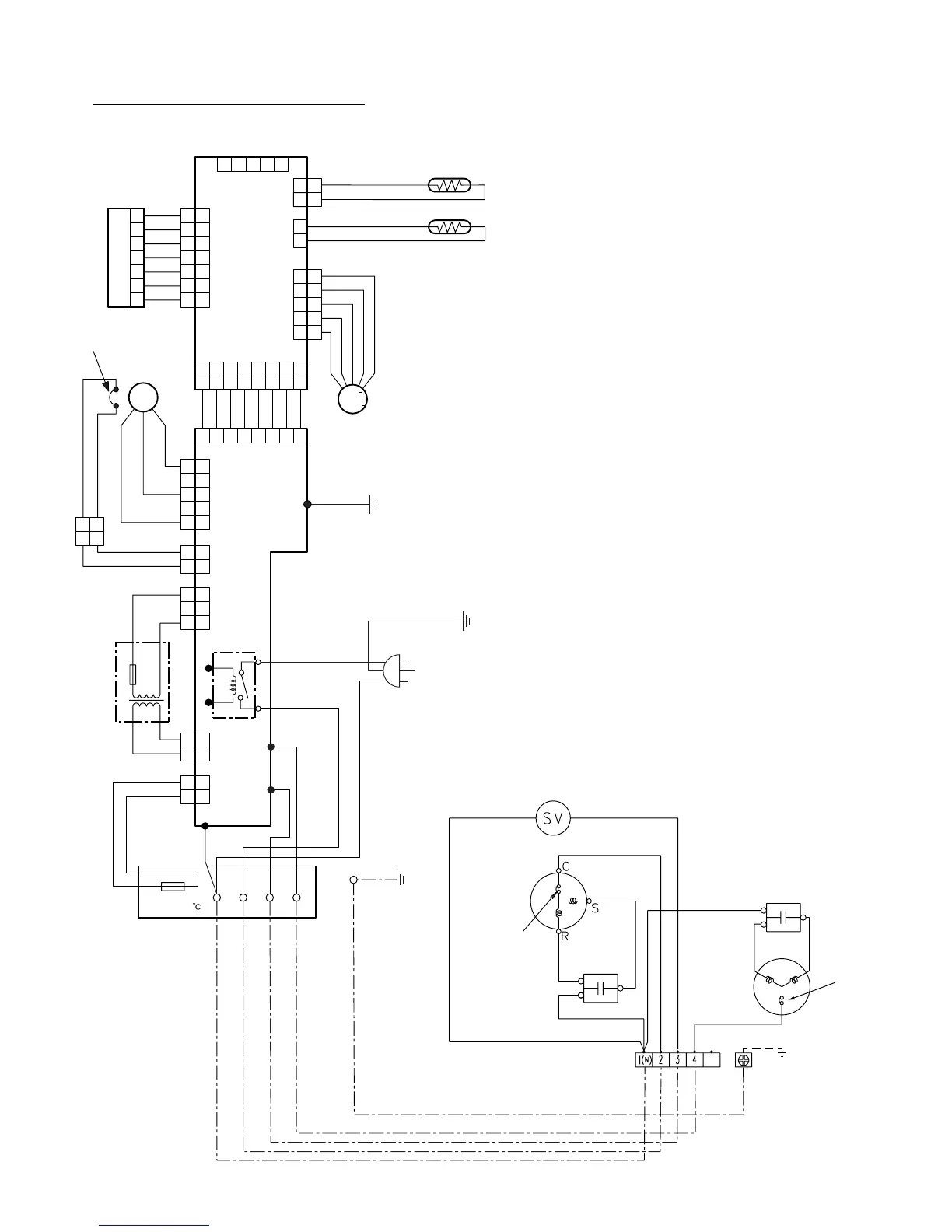
INDOOR UNIT
OUTDOOR UNIT
ASY17USCQ / AOY17UNBN
Models : ASY17USBQ / AOY17UNBK
12345
Terminal
TEST
CN 11
CN 13
4 3
POWER
RELAY
CONTROL BOARD
POWER SUPPLY
BOARD
Thermistor
(room temp.)
Step Motor
Thermal
Protector
Fan
Motor
Thermistor
(pipe temp.)
DISPLAY BOARD
BLACK
BLACK
GRAY
GRAY
BLUE
WHITE
WHITE
WHITE
WHITE
WHITE
WHITE
BLUE
WHITE
WHITE
BLUE
RED
BLUE
1 2 3 4
N
WHITE
GREEN
WHITE
WHITE
WHITE
WHITE
BLACK
PURPLE
PURPLE
RED
RED
ORANGE
WHITE
WHITE
WHITE
WHITE
WHITE
WHITE
BLUE
ORANGE
YELLOW
PINK
RED
2 1
CN 12CN 8
CN 9
2 1
2 1
12345
1
2
3
4
5
1
2
3
4
5
1 2 3 4 5 6 7
12345
CN 105
E
1 2
CN 106
1 2
1 2
2 2
1 1
3
CN 103
1 2 3
1 2
CN 102
W103 W102
W101
1 2
1 2
CN 101
1 2
1 2 3
4 5
12345 67
1234567
6
7
8
1
2
3
4
5
6
7
8
CN 16
CN 107
CN 201
1
2
3
4
5
6
7
8
M
FM
TRANSFORMER
THERMAL FUSE
GREEN / YELLOW
4-way Valve
Compressor
Fan Motor
Fan Motor
Capacitor
Thermal
Protector
Internal
Overload
Protector
Compressor
Capacitor
Black
Black
Red
Red
White
White
White
White
Black
Black
Terminal
52005.02.16
BLACK
GRAY
GRAY
BROWN
Use T 3.15A - 250V
fuse on F101
THERMAL
FUSE 102

Related product manuals