EasyManua.ls Logo

Fujitsu ASYG12LECA - Cooling Operation Details

Fujitsu ASYG12LECA
22 pages
To Next Page IconTo Next Page
To Next Page IconTo Next Page
To Previous Page IconTo Previous Page
To Previous Page IconTo Previous Page
Loading...
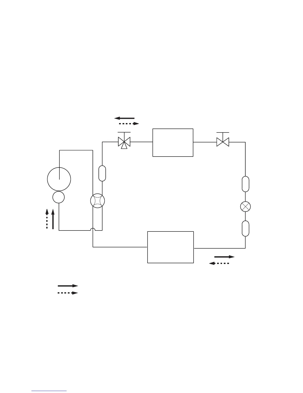
REFRIGERANT
SYSTEM DIAGRAM
2-Way valve
Strainer
Strainer
3-Way valve
Muffler
4-Way valve
Expansion valve
Refrigerant direction
Heat exchanger
(indoor unit)
Heat exchanger
(outdoor unit)
Compressor
Cooling
Heating
Refrigerant pipe diameter
Liquid : 1/4" (6.35 mm)
Gas : 3/8" (9.52 mm)
2010.03.01 3

Other manuals for Fujitsu ASYG12LECA

Related product manuals